251

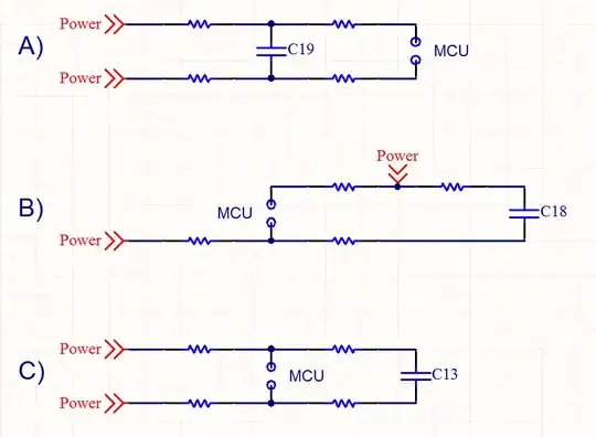
I guess I've been somewhat ignorant when it comes to the finer details of pcb layout. Lately I've read a couple of books that try their best to lead me on the straight and narrow. Here is a couple of examples of a recent board of mine, and I have highlighted three of the decoupling caps. The MCU is a LQFP100 package and the caps are 100nF in 0402 packages. The vias connect to ground and power plane.

placement of decoupling caps

The top cap (C19) is placed according to best practices (as I understand them). The other two are not. I haven't noticed any problems. But then again the board has never been outside the lab.

I guess my question is: How big a deal is this? As long as the tracks are short, does it matter?

The Vref pins (reference voltage for the ADC) also have a 100nF cap across them. Vref+ comes from an onboard TL431 shunt regulator. Vref- goes to ground. Do they require special treatment like shielding or local ground?


EDIT

added local GND and power planes

Thanks for great suggestions! My approach has always been to rely on an unbroken ground plane. A ground plane will have the lowest possible impedance, but this approach may be too simplistic for higher frequency signals. I've made a quick stab at adding local ground and local power under the MCU (The part is an NXP LPC1768 running at 100MHz). The yellow bits are the decoupling caps. I'll look into paralleling caps. The local ground and power are connected to the GND layer and the 3V3 layer where indicated.

The local ground and power are made with polygons (pour). It's going to be a major rerouting job to minimize the length of the "tracks". This technique will limit how many signal tracks can be routed under and across the package.

Is this an acceptable approach?

morten
  • 4,673
  • 4
  • 27
  • 26
  • 14
    C13 is best-practices, C18 is less ideal, and C19 is the worst. What are your sources for best practices? – Connor Wolf Jun 07 '11 at 23:35
  • 1
    The new layout looks pretty good. Yes, local planes can get in the way of routing other signals. Everything is a tradeoff. The local nets don't need to be planes, however. On two layer boards or otherwise where I can't afford local planes, I route the power and ground nets first as regular traces, then let other things route arund them. That's not much worse than a highly broken up plane, and a plane provides less benefit to a local net anyway, compared to something like the board-wide ground. – Olin Lathrop Jun 08 '11 at 13:55
  • 2
    Well, I am likely unqualified to argue against Olin here, although these suggestions run counter to most of what I feel I've learned about decoupling. Still, those are not planes at all but a highly broken up star grounding pattern. The traces are thicker, but given the 0402 caps they're not that thick. That looks like a lot of impedance to me. Think of the size of the return current loop between the supplied power and ground return. It goes all over the place! Again, underqualified... but it really seems wrong to me. Please, can someone else explain how this is or is not a good idea? – darron Jun 08 '11 at 16:16
  • 4
    My understanding based on sources like Dr Howard Johnson's books highly favors tight, low impedance coupling to ground. Separate vias for the IC and caps, multiple per cap in critical places. However, given the 0402 size of these caps and a probably reasonable rise-time based on 100MHz I'd think the original design was okay. I'm assuming the other layers make it hard to move the caps closer or add separate vias for them... but it should have been fine. – darron Jun 08 '11 at 16:25
  • 5
    I don't consider C13 to be best practices. Close, but not best, because all the trace length from capacitor to vias means that C13 is only effectively decoupling those power pins, and is much less effective at decoupling the other power pins on the same voltages. At the very least, I'd move C13 away from the chip enough to move the plane vias in between the chip and C13, shoving signal traces as needed. – Mike DeSimone Jun 10 '11 at 19:57
  • 14
    Interesting. I thought C19 would be the best, as it places the cap as a low-pass filter between the ripple current source and the power planes – Simon Richter Jul 29 '14 at 14:28
  • 1
    May I ask how is your local 3.3 layer on layer 3 connected with the global 3.3V layer? Where is the global 3.3V layer? – richieqianle Jan 05 '16 at 13:41

9 Answers9

438

Proper bypassing and grounding are unfortunately subjects that seem to be poorly taught and poorly understood. They are actually two separate issues. You are asking about the bypassing, but have also implicitly gotten into grounding.

For most signal problems, and this case is no exception, it helps to consider them both in the time domain and the frequency domain. Theoretically you can analyse in either and convert mathematically to the other, but they each give different insights to the human brain.

Decoupling provides a near reservoir of energy to smooth out the voltage from very short term changes in current draw. The lines back to the power supply have some inductance, and the power supply takes a little time to respond to a voltage drop before it produces more current. On a single board it can catch up usually within a few microseconds (us) or tens of us. However, digital chips can change their current draw a large amount in only a few nanoseconds (ns). The decoupling cap has to be close to the digital chip power and ground leads to do its job, else the inductance in those leads gets in the way of it delivering the extra current quickly before the main power feed can catch up.

That was the time domain view. In the frequency domain digital chips are AC current sinks between their power and ground pins. At DC power comes from the main power supply and all is fine, so we're going to ignore DC. This current sink generates a wide range of frequencies. Some of the frequencies are so high that the little inductance in the relatively long leads to the main power supply start becoming a significant impedance. That means those high frequencies will cause local voltage fluctuations unless they are dealt with. The bypass cap is the low impedance shunt for those high frequencies. Again, the leads to the bypass cap must be short else their inductance will be too high and get in the way of the capacitor shorting out the high frequency current generated by the chip.

In this view, all your layouts look fine. The cap is close to the power and ground chips in each case. However I don't like any of them for a different reason, and that reason is grounding.

Good grounding is harder to explain than bypassing. It would take a whole book to really get into this issue, so I'm only going to mention pieces. The first job of grounding is to supply a universal voltage reference, which we usually consider 0V since everything else is considered relative to the ground net. However, think what happens as you run current thru the ground net. It's resistance isn't zero, so that causes a small voltage difference between different points of the ground. The DC resistance of a copper plane on a PCB is usually low enough so that this is not too much of a issue for most circuits. A purely digital circuit has 100s of mV noise margins at least, so a few 10s or 100s of μV ground offset isn't a big deal. In some analog circuits it is, but that's not the issue I'm trying to get at here.

Think what happens as the frequency of the current running across the ground plane gets higher and higher. At some point the whole ground plane is only 1/2 wavelength across. Now you don't have a ground plane anymore but a patch antenna. Now remember that a microcontroller is a broad band current source with high frequency components. If you run its immediate ground current across the ground plane for even a little bit, you have a center-fed patch antenna.

The solution I usually use, and for which I have quantitative proof it works well, is to keep the local high frequency currents off the ground plane. You want to make a local net of the microcontroller power and ground connections, bypass them locally, then have only one connection to each net to the main system power and ground nets. The high frequency currents generated by the microcontroller go out the power pins, thru the bypass caps, and back into the ground pins. There can be lots of nasty high frequency current running around that loop, but if that loop has only a single connection to the board power and ground nets, then those currents will largely stay off them.

So to bring this back to your layout, what I don't like is that each bypass cap seems to have a separate via to power and ground. If these are the main power and ground planes of the board, then that's bad. If you have enough layers and the vias are really going to local power and ground planes, then that's OK as long as those local planes are connected to the main planes at only one point.

It doesn't take local planes to do this. I routinely use the local power and ground nets technique even on 2 layer boards. I manually connect all the ground pins and all the power pins, then the bypass caps, then the crystal circuit before routing anything else. These local nets can be a star or whatever right under the microcontroller and still allow other signals to be routed around them as required. However, once again, these local nets must have exactly one connection to the main board power and ground nets. If you have a board level ground plane, then there will be one via some place to connect the local ground net to the ground plane.

I usually go a little further if I can. I put 100 nF or 1 μF ceramic bypass caps as close to the power and ground pins as possible, then route the two local nets (power and ground) to a feed point and put a larger (10μF usually) cap across them and make the single connections to the board ground and power nets right at the other side of the cap. This secondary cap provides another shunt to the high frequency currents that escaped being shunted by the individual bypass caps. From the point of view of the rest of the board, the power/ground feed to the microcontroller is nicely behaved without lots of nasty high frequencies.

So now to finally address your question of whether the layout you have matters compared to what you think best practices are. I think you have bypassed the power/ground pins of the chip well enough. That means it should operate fine. However, if each has a separate via to the main ground plane then you might have EMI problems later. Your circuit will run fine, but you might not be able to legally sell it. Keep in mind that RF transmission and reception are reciprocal. A circuit that can emit RF from its signals is likewise susceptible to having those signals pick up external RF and have that be noise on top of the signal, so it's not just all someone else's problem. Your device may work fine until a nearby compressor is started up, for example. This is not just a theoretical scenario. I've seen cases exactly like that, and I expect many others here have too.

Here's a anecdote that shows how this stuff can make a real difference. A company was making little gizmos that cost them $120 to produce. I was hired to update the design and get production cost below $100 if possible. The previous engineer didn't really understand RF emissions and grounding. He had a microprocessor that was emitting lots of RF crap. His solution to pass FCC testing was to enclose the whole mess in a can. He made a 6 layer board with the bottom layer ground, then had a custom piece of sheet metal soldered over the nasty section at production time. He thought that just by enclosing everything in metal that it wouldn't radiate. That's wrong, but somewhat of a aside I'm not going to get into now. The can did reduce emissions so that they just squeaked by FCC testing with 1/2 dB to spare (that's not a lot).

My design used only 4 layers, a single board-wide ground plane, no power planes, but local ground planes for a few of the choice ICs with single point connections for these local ground planes and the local power nets as I described. To make a long story shorter, this beat the FCC limit by 15 dB (that's a lot). A side advantage was that this device was also in part a radio receiver, and the much quieter circuitry fed less noise into the radio and effectively doubled its range (that's a lot too). The final production cost was $87. The other engineer never worked for that company again.

So, proper bypassing, grounding, visualizing and dealing with the high frequency loop currents really matters. In this case it contributed to make the product better and cheaper at the same time, and the engineer that didn't get it lost his job. No, this really is a true story.

Olin Lathrop
  • 313,258
  • 36
  • 434
  • 925
  • 3
    Wow - you've opened my eyes to things I'd never even considered. – Majenko Jun 07 '11 at 23:21
  • 77
    +1 for a wonderful explanation. This sort of response is what this site is all about. – Adam Lawrence Jun 08 '11 at 02:30
  • 20
    Actually, there is a book that covers this topic and others very well: Henry Ott's Electromagnetic Compatibility Engineering. I have a copy at work and highly recommend it. It is an overhaul of his previous work, Noise Reduction Techniques in Electronic Systems, and goes into several new topics, such as proper "grounding" (and why "ground" is really just a useful myth), circuit board layer stackup strategies, and shielding. – Mike DeSimone Jun 08 '11 at 14:00
  • 31
    The bit on grounding seems pretty much opposite from what High Speed Digital Design advocates. That advocates very tight low impedance coupling to a single ground plane, with separate vias for IC pins and decoupling cap pins if possible. It sounds like you're advocating basically splitting up the ground plane and I think he even discussed the antenna effects of having patches of ground at different potentials in the book. Is this book outdated now? There seem to be a great variety of opinions on this subject. – darron Jun 08 '11 at 16:06
  • 11
    There do seem to be lots of opinions. Using a single ground plane is fine for decoupling, meaning making sure the chip has good clean power. I was recommending the separate ground net for EMI reasons. – Olin Lathrop Jun 08 '11 at 21:11
  • 6
    Well, from my point of view EMI is the main point of lowering overall impedance. I think I'd have to screw up big to have a malfunctioning system, while it's much much easier to mess up with EMI. The inductance of this local power and ground is much higher than going directly to the main plane. Tracing out the loop current with the way they're split up makes the area of that look really large. By going directly to a solid ground directly under the top signal layer, with smallish spacing between layers, you get orders of magnitude smaller loops, and so it -should- be much better EMI... ? – darron Jun 08 '11 at 22:14
  • 4
    I guess my main problem here is I've been reading a LOT of appnotes on IC power network design and nothing is advocating anything like this. I do sense a bit of a disconnect between RF practices (which I know very little of) and the general consensus on decoupling/EMI practices... so I'd love to explore this a bit further. (I sure wish I had a 3D solver... :) – darron Jun 08 '11 at 22:27
  • 32
    @Olin by chance could you include a schematic of a "best practices" example; I'm curious how a local ground plane would relate to signals leaving the IC (crossing split plane, or if I'm just misunderstanding some of the concepts) – CoderTao Jun 09 '11 at 02:41
  • 2
    A proper discussion of EMI issues and strategies is another topic for another time, since it gets into how you treat the signals as well as the reference planes. For example, a common EMI reduction technique for single-ended digital signals is to put a small (20 ohms or so) resistor in series near the driver end of the line. Given a board layout, professional tools like HyperLynx can even tell you the optimum resistor to use to minimize overshoot and ringing, without overly lengthening rise and fall times. – Mike DeSimone Jun 10 '11 at 19:53
  • 1
    @MikeDeSimone -- +1 for mentioning Ott, his books are great. – Jason S Sep 28 '11 at 22:51
  • 8
    @OlinLathrop: Is there any way that you could show examples for each one of the things you have mentioned above? I think I have understood what you said but seeing would definitely help give me a much better idea as to whether I am reading what you have suggested right. Thanks in advance! – X-Istence Sep 29 '11 at 05:02
  • 5
    @OlinLathrop, where you say "one via," do you ever use multiple vias very close together (near minimum spacing) on the same node to increase DC current capacity? Meaning, do you ever find that one via can't carry enough DC current for the chip you've isolated this way. Does using multiple vias still have a noticeable effect on EMI if they're close enough together? – Matt B. Feb 06 '12 at 07:44
  • 3
    @OlinLathrop I second the others, it looks like a gold mine but it is very difficult to follow... A "Good VS Bad" Paint drawing would be worth a lot! Thanks for sharing – Mister Mystère May 28 '14 at 17:38
  • Does this hold good for through-hole components too? I'm a bit lost here. Do the pads of the capacitors(through-hole) that are manually routed for which a single point is connected to the ground plane act like vias themselves? #Iamfairlynewtothistopic – Adithya Nov 17 '14 at 20:43
  • 1
    @Adit: I can be done with thru hole too, just that it will usually be more difficult. Not only do the thru holes use up space on all layers, but you will probably have to do something special in your CAD system to avoid ground holes connected directly to the ground plane when you actually want to tie it back to the ground pin of the processor, for example. Fortunately today you aren't stuck with thru hole parts where good bypassing is important, so the thru-hole issue pretty much doesn't exist. – Olin Lathrop Nov 17 '14 at 22:29
  • 3
    Thank you Olin.I will stick on to SMD,then. Also,[http://www.ti.com/lit/an/szza009/szza009.pdf] this note seems to describe Olin's points in depth which may be useful to people who need an even more satiable answer. – Adithya Nov 18 '14 at 08:23
  • 7
    The local plane concept works well. There is no free lunch, though - is there ever? The I/O signals going from MCU to other circuits will have slightly bigger loop areas, since the return currents have to go through the common GND/VCC point between the local and global planes. Take this into account and control the slew rates on the signals: whenever you can, reduce the drive levels or use per-signal chip ferrite beads at I/O pins. For signals that need short rise times, arrange the plane interconnects in the middle of the fast signal group. – Kuba hasn't forgotten Monica Jan 23 '15 at 19:21
  • 2
    I agree with darron, Signal and Power Integrity - Simplified indicates an unbroken ground plane is a best practice. There is a chapter about the power distribution network in which the theory that minimization of the impedance profile from DC up to about 100MHz is the key to noise/EMI reduction. Randomly putting small caps around an IC is not advocated. The caps should be chosen so the SRFs minimize any large PRFs (such as the IC lead and package capacitance PRF). Minimization of the PDN impedance profile at high freqs will solve EMI problems and maximize the effectiveness of a few caps. – thomas.cloud Apr 28 '15 at 22:30
  • 1
    @OlinLathrop I am sorry but I dont quite understand this. So lets say an IC has a local ground/power plane and these planes are connected to the main planes at one point. And if IC is switching high currents wouldn't those currents go like: main power->local power->bypass cap->local ground-> main ground? Wouldn't this mean that there would still be high currents going across the main ground plane and it would act as a enter-fed patch antenna as you say? Could you please elaborate? – Golaž May 04 '15 at 11:57
  • @Gol: The high frequency currents would follow the loop: power lead, bypass cap, local ground, ground lead. The low frequency currents go: power lead, power supply +, power supply -, ground plane, local ground, ground lead. – Olin Lathrop May 04 '15 at 12:34
  • 1
    @OlinLathrop Do you pour the local ground/power nets or leave them pin to pin connected? – Bip May 18 '15 at 20:17
  • @Pred: It can be either depending on the situation. – Olin Lathrop May 18 '15 at 23:02
  • Thanks @OlinLathrop . What was your stackup when you developed that 4 layer PCB for under 100$? It seems unusual to me not having the power plane. – Bip May 22 '15 at 23:13
  • @Pred: See the second to last paragraph in my answer. – Olin Lathrop May 23 '15 at 10:41
  • @OlinLathrop I've read that but I did not see that stackup anywhere else. Sig.Pwr/Ground(local)/Ground(wide plane)/Sig.Pwr. ? – Bip May 23 '15 at 10:45
  • 3
    @Pred: Like I said, full ground plane, occasional local ground polygon, signals everywhere else. Power planes would have been a waste of space. With a good ground plane and good local power decoupling, power planes are usually unnecessary. Layers 1 and 4 were of course signals. If I remember right, layer 3 was the ground plane and layer 2 signals and the small local ground polygons. – Olin Lathrop May 23 '15 at 10:54
  • @OlinLathrop How would you use this technique with HF current not be on ground plane when using BGA components? Would you connect all the capacitors locally on the small poly beneath the MCU and then connect it to ground plane in only one point? I think that's bad because high speed signal are better driven over full plane than local one. – Bip Jun 27 '15 at 13:22
  • Could you please illustrate what to do if there are ADC and DAC in the system communicating with MCU? Making a ground polygon will force the SPI/I2C lines form a much larger group I suspect. – richieqianle Dec 31 '15 at 07:09
  • 4
    Having the top layer ground pour only tied at a single point is just plain wrong. No authoritative source recommends such a practice. The goal is to to reduce the size of return current loops and thus reduce their inductance. The single point connection forces all of the I/O return currents far out of their way. A local pour under a noisy chip is good (reduces loop area), but the pour should be liberally stitched to the main gnd plane. In the OP the top layer pour is not solid and so does not even provide good local gnd plane; even more reason to stitch it to the main gnd plane. – PaulB Oct 28 '16 at 17:26
  • 1
    How do you guys manage parts that have a thermal pad required to be connected to GND (and then preferably to the GND plane)? – L. Heinrichs Oct 23 '18 at 13:00
  • 1
    I really liked your answer and understand it. It would be great if you could add some pictures of layout with local power and ground nets to help newbies alot. Thanks. – abhiarora Feb 05 '19 at 09:30
  • I have trouble following how this approach would be used in high speed design with interfaces between chips: imagine a larger chip with an input interface on one side and an output interface on the other----for this case I would strongly advocate for a complete ground plane. I have always done complete ground planes but also for reasons discussed here have done local power planes especially is sensitive mixed signal designs- providing the high frequency (uW) bypass features of the plane and isolating that from the remaining supplies on the board. – Dan Boschen Feb 24 '20 at 22:11
  • 1
    @Adithya The included link is malformed. The title of the document is PCB Design Guidelines for Reduced EMI by Texas Instruments in case this link gets broken too. – pfabri Jan 07 '21 at 12:25
66

The main goal of a power distribution network is to reduce the inductance between connected components. This is most important for whatever plane you're using as a reference (e.g. "ground", "vref", or "return") because the voltage on that net is used as a reference for the voltages on your signals. (E.g. a TTL signal's VIL/VIH thresholds are referenced to the chip's GND pin, not VCC.) Resistance is actually not that important in most PCB applications because the inductance component of the total impedance dominates. (On an IC chip, though, this is reversed: resistance is the dominant part of impedance.)

Please bear in mind that these issues are most important for high-speed (>1 MHz) circuits.

Reference Plane as Lumped Node

The first thing to check is if your reference plane can be considered a lumped node, as opposed to a transmission line. If the rise time of your signal is greater than the time light needs to cross from one edge of the board to the other and back (in copper; a good rule of thumb is 8 inches [200 mm] per nanosecond), then you can consider the reference plane to be a lumped element, and the distance from load to decoupling capacitor does not matter. This is an important determination to make, since it affects your placement strategy for power vias and capacitors.

If the plane dimensions are larger, then you not only need to spread decoupling capacitors around, you also need more of them and the capacitors need to be within the rise-time distance of the load they are decoupling.

Via Inductance

Continuing our efforts to minimize inductance, if the plane is a lumped element, then the inductance between part and plane becomes dominant. Consider C19 in your first example. The inductance seen from the plane to the chip is directly related to the area enclosed by the tracks. In other words, follow the path from the power plane, to the chip, then back out the ground pin to the ground plane, finally closing the loop back to the power via. Minimizing this area is your goal, as less inductance means more bandwidth before inductance becomes dominant over decoupling capacitance. Remember, the length of the via from surface to plane is part of the path; keeping reference planes near the surfaces helps a lot. It's not uncommon in 6 or more layer boards for the first and last inner layers to both be reference planes.

So while you have a pretty small inductance to start with (I'm guessing 10-20 nH), it can be reduced by giving the IC its own set of vias: given your via size, one via next to pin 97 and another near pin 95 would cut inductance down to 3 nH or so. If you can afford it, smaller vias would help here. (Though, honestly, since your part is an LQFP instead of a BGA, this may not help a huge amount because the lead frame in the package could be contributing 10&nbps;nH all by itself. Or maybe it's not that much because of ...)

Mutual Inductance

The lines and vias leading to a load or capacitor don't exist in a vacuum. If there is a supply line, there needs to be a return line. Since these are wires with currents flowing through them, they generate magnetic fields, and if they are close enough to each other, they create mutual inductance. This can be either harmful (when it increases total inductance) or beneficial (when it decreases total inductance).

If the currents in each of the parallel wires (I say "wire" to include both trace and via) are going in the same direction, then the mutual inductance adds to the self-inductance, increasing total inductance. If the currents in each wire are going in opposite directions, then the mutual inductance subtracts from the self-inductance, decreasing the total. This effect gets stronger as the distance between the wires goes down.

Therefore, a pair of wires going to the same plane should be far apart (rule of thumb: greater than twice the distance from surface to plane; assume the PCB thickness if you don't have your stackup figured out yet) to reduce total inductance. A pair of wires going to different planes, such as every example you have posted, should be as close together as possible.

Cut Planes

Since inductance is dominant, and (for high-speed signals) is determined by the path the current takes through the net, plane cuts should be avoided, especially if there are signals crossing that cut, since the return current (which prefers to follow a path directly under the signal trace to minimize loop area and thus inductance) has to make a large detour, increasing inductance.

One way to mitigate the inductance created by cuts is to have a local plane which can be used to jump over the cut. In this case, several vias should be used to minimize the length of the return current path, however, since these are vias which go to the same plane, and thus have current flow in the same direction, they should not be placed close to each other, but should be at least two plane distances or so apart.

Care should be taken, though, with signal traces that are long enough to be transmission lines (i.e. over one rise or fall time in length, whichever is shorter), because a ground fill near the trace will change the impedance of that trace, causing a reflection (i.e. overshoot, undershoot, or ringing). This is most noticeable in gigabit-speed signals.

Out of time

I'd go into how the "one 0.1 μF capacitor per power pin" strategy is counterproductive with modern designs that can have tens of power pins per part, but I really have to go to work now. Details are in the BeTheSignal and Altera PDN links below.

Recommendations (TL;DR)

  • Move decoupling capacitor vias closer together, if those vias go to different planes.
  • Putting the via in the pad is the best option, if you can afford it (you need to fill the via and plate the pad over the fill, which adds a day or two to fabrication and costs more money). Second best is to put the two vias on the same side of the cap, as close as possible to each other and the capacitor. An additional set of vias can be placed on the opposite side of the capacitor to cut the inductance in half, but make sure that the two via groups are at least a board thickness (or two plane distances) apart.
  • Give the IC its own vias to power and ground, keeping opposing-net vias near each other and same-net vias farther apart. These vias can be shared with decoupling capacitors, but it is better to have more plane vias than to lengthen traces to plane vias. (My usual layout technique is to place the load, then place the power and ground vias, and finally place a decoupling capacitor on the opposite side of the board if there's room. (If there's no room, the capacitor moves, not the vias!)
  • Minimize the longest dimension of each reference plane to minimize inductance and allow the simpler lumped-element model for your plane. Plane cuts should be minimized, and local planes can be used to mitigate them.

See Also

Ariser
  • 3,943
  • 3
  • 24
  • 44
Mike DeSimone
  • 4,725
  • 17
  • 22
  • 3
    Thanks, your answer has led me deep into unknown territory! One thing that is confusing is "the distance from load to decoupling capacitor does not matter" when the reference plane is considered a lumped node. This seems to go against everything else said. – morten Jun 09 '11 at 08:21
  • 5
    @morten: yeah, that knocked me silly the first time I read it in Altera's materials, too. But it's a provable thing: if you look at the inductance component injected by the plane itself, it is actually small when compared to the inductance of the vias, traces, and component packaging. You'll need to break out vector calculus and Maxwell's Equations to prove it exactly, but if you can visualize it, the basic idea is that the magnetic field around a plane is weaker than around a wire (via or trace) due to its geometry. A weaker magnetic field means lower inductance. – Mike DeSimone Jun 10 '11 at 14:08
  • It's kind of like programming: while optimizing code that runs only once or a few times will technically make the program run faster, it's not nearly as much benefit per hour effort as optimizing the code that gets called a lot, say in loops. Before I forget, there's one more thing: a reference plane typically has capacitance with a power plane, reducing its impedance to even less than trace and via impedance, but it might not be that big of a difference (1 nF/sqft or so?). – Mike DeSimone Jun 10 '11 at 14:12
  • And one more thing: something that also sneaks in is skin effect. (Yes, even a 1 oz. copper plane has skin effect at high speeds.) If you have a trace go between two planes that are next to the same reference plane, you're safe because the return current path on that reference plane can follow the hole in the plane made for the via. If you jump between layers that have different reference planes, though, the return current has to find a path between the reference planes. Usually this is a nearby ground via connecting both planes, but sometimes you'll need to add a stitching via. – Mike DeSimone Jun 10 '11 at 14:21
  • Everything you need to know about EMC was written in Henry Ott's book in your link. Anyone who wants to really master EMC needs to read it. Shielding, filtering, coupling vs decoupling, orientation, material effects, ferrites, shapes and other non-ideal characteristics. common central grounds, distributed all need low ESR, low inductance, visualizing the antenna effects in structures on PCB, chassis and interface cables, ESR, wavelengths, prop. delays, crosstalk, impedance controls, isolating analog ground from digital grounds, guarding methods, Common filtering, differential mode, etc etc – Tony Stewart EE75 Jul 12 '12 at 23:54
  • @MikeDeSimone please can you give a direct links to articles concerning the counterproductivity of the "one 0.1 uF capacitor per power pin" strategy? – vicatcu Jun 26 '13 at 18:44
  • @vicatcu: It's from Bogatin's book, Signal Integrity Simplified, and also covered by his webinar on PDN design. BTW, the only real "counterproductivity" is that 1) in a high-speed design it might be insufficient, especially if there's a band that isn't sufficiently covered by the 0.1 uF caps, and 2) it's more likely that you don't need nearly that many capacitors given the high number of power pins on modern chips. You can also work with Altera's PDN tool to see these effects. – Mike DeSimone Jun 27 '13 at 14:09
  • 1
    The "one 0.1 uF cap per power pin" is a rule of thumb dating back to the days of DIPs and two-layer boards with no power or ground planes. In those cases, you would get a significant amount of inductance just getting power to each chip, most chips only had one or two power pins, and 0.01 uF capacitors wouldn't help much because their decoupling would be defeated by the inductance of the lead frame in the part. – Mike DeSimone Jun 27 '13 at 14:12
  • 3
    The extremely low inductance of power and ground planes changed all the rules, by making the inductance getting to the plane far more important than inductance due to position on the plane. Thus the "near the part" requirement is obsolete in most cases (basically, any case where your power plane is small enough not to have transmission line effects), and the limiting factor is the inductance from the capacitor's packaging and how its vias are routed to the planes, and the same for the chip. So many chip manufacturers are adding power pins to reduce inductance, not because they need more caps. – Mike DeSimone Jun 27 '13 at 14:16
  • 2
    It seems that the answer from @Olin Lathrop is in contradiction with this one.. – richieqianle Jun 23 '14 at 14:27
  • 2
    Contradiction how? – Mike DeSimone Jun 23 '14 at 15:57
  • 2
    He suggested to connect the grounds together and then connect with the main power frame at a single point. The technique is essentially split plane I think, which is not recommended in your post. – richieqianle Jun 24 '14 at 07:34
  • 4
    Split planes are tricky. You can wind up creating EMI problems where they weren't before if you're not careful. Also you can compromise the low impedance of a plane if you split it into too-small pieces, like strips. Henry Ott recommends against it, arguing that component placement and layout can often achieve better performance than split planes would give. That said, there are cases where they make sense, but you need to treat the split plane similar to a plugged-in mezzanine card, with its own decoupling and such near the single point of connection, and forbid traces crossing the split. – Mike DeSimone Jun 24 '14 at 16:59
  • 4
    Also, if you're splitting the ground plane, you need to split the power planes at the same place. Remember, at AC frequencies, power and ground are effectively the same potential (if properly decoupled), and field lines will act accordingly. – Mike DeSimone Jun 24 '14 at 17:03
  • Thank you very much! Your comments make a lot of sense. :) – richieqianle Jun 25 '14 at 10:45
51

I find it tends to help to think about the equivalent RC circuits the traces form, when you need to consider the behavior of the power lines (traces, e.g. really small resistors) and decoupling caps.

Here is a simple sketch schematic of the three caps you have in your post:
enter image description here There is no polarity in the image, so just assume one "Power" is ground, and the other is VCC.

There are basically two approaches to decoupling - A and C. B is not a good idea.

A will be most effective in keeping noise from the IC from propagating back into the power rails of your system. However, it is less effective at actually decoupling switching currents from the device - The steady-state current and the switching current have to flow through the same trace.

C is most effective at actually decoupling the IC. You have a separate path for switching currents to the capacitor. Therefore, the high-frequency impedance of the pin to ground is lower. However, more switching noise from the device will make it's way back to the power rail.
On the other hand, this does result in a net lower variance of voltage at the IC pin, and reduces the high-frequency power supply noise by shunting it to ground more effectively.

The actual choice is implementation specific. I tent to go with C, and just use multiple power rails whenever possible. However, any situation where you do not have the board space for multiple rails, ,and are mixing analog and digital, A may be warranted, assuming the loss in decoupling efficacy causes no harm.


If you draw the equivalent AC Circuit, the difference between the approaches becomes more clear:
enter image description here
C has two separate AC paths to ground, whereas A has only one.

Connor Wolf
  • 32,168
  • 6
  • 79
  • 138
  • 7
    I disagree with your distinction between A and C. The low frequency currents from the power supply and the high frequency decoupling currents simply add. The only drawback to A is that the low frequency power feed goes thru slightly more resistance, but that's a DC issue and is fine as long as the correct voltage can be supported. – Olin Lathrop Jun 08 '11 at 11:23
  • 5
    It is also incorrect to say that A is better decoupled than C. To look at the decoupling component alone, disconnect the power feed. When doing that, both A and C leave you with the same circuit. Decoupling is accomplished just as well by both. The difference is that A keeps the high frequency current components off the power nets better. – Olin Lathrop Jun 08 '11 at 11:25
  • 2
    For modern high-speed designs, it's better to model inductors instead of resistors. The problem is not that you resistively attenuate, but that the inductance of the power distribution network causes delays that the power supply cannot react to fast enough. (In control loop theory, you find that putting a delay [Laplace transform: e^st] in the feedback path will only help destabilize the control loop.) These delays are due to the fact that the current in an inductor cannot change instantly, and thus the voltage must change instead when a sudden load change occurs. – Mike DeSimone Jun 08 '11 at 13:58
  • 4
    @Olin Lathrop - I specifically said that A is worse at actually decoupling the IC, not better - However, it is less effective at actually decoupling switching currents from the device – Connor Wolf Jun 09 '11 at 05:02
  • 3
    Furthermore, C is definitely lower impedance then A. I will have some edits to the answer in a minute to explain. – Connor Wolf Jun 09 '11 at 05:04
18

The answers to your questions (all of them) depend a lot on what frequencies are running around your PWA.

Regardless of anything else I am about to say, remember that most discrete decoupling caps become useless above about 70 MHz. Using multiple paralleled caps can push that number a bit higher.

A rule of thumb is that an object begins acting like an antenna at L = wavelength/10. Wavelength = c/f; so we need L < c/(10f). Feature sizes of 1 cm become important at around 3 GHz. Before you breathe a sigh of relief (because your clock only runs at, say, 50 MHz) remember that you need to think about the spectral content of clock edges and chip I/O pin transitions.

In general, you want to put a lot of caps around the board, and/or use a board with specially designed power and ground planes, which basically turn the entire board into a distributed capacitor.

Lead and trace inductance (L) is about 15 nH/inch. That equates to about 5 Ω/inch for spectral content at 50 MHz, and about 20 Ω/inch for spectral content at 200 MHz.

Paralleling 'N' caps of value C will increase C by a factor of N and reduce L by about a factor of N. Your decoupling scheme has a useful frequency range. The LOW end of that frequency range is set by the total effective capacitance of all your caps. The HIGH end of the frequency range has nothing (I repeat, nothing) to do with the capacitance of your capacitors: It is a function of the lead inductances of your capacitors and the number of capacitors (and their placement) in the network. The effective overall inductance is inversely proportional to N. Ten caps of 10 nF each are highly preferable over 1 cap of 100 nF. 100 caps, of 1 nF each, is even better.

To keep your EFFECTIVE decoupling network C high, and your EFFECTIVE decoupling network L low, you must distribute your caps (not clump them in one or a few places).

Protecting your A/D conversions from noise is a whole nother subject, which I will pass on at the moment.

I hope that helped answer some of your questions.

Ariser
  • 3,943
  • 3
  • 24
  • 44
Vintage
  • 802
  • 4
  • 4
  • 2
    Above about 100 MHz, the decoupling on board a chip, as well as the wiring internal to the chip package, becomes dominant. Also, I have to dispute your notion that increasing N is always a good thing. The proof is to do an impedance plot (Z vs. f) of your power distribution network (power supply, decoupling, and planes): Each added capacitor is a 1/N decrease in impedance around the capacitor's SRF. Better would be to use capacitors of different values, which will have different SRFs, which will cover more of your bandwidth. – Mike DeSimone Jun 10 '11 at 14:22
13

Bypass capacitors serve four primary functions:

  1. They minimize rapid changes in the currents drawn on the supply wires (such changes in current draw could cause EMI, or could couple noise to other devices on the board)
  2. They minimize changes in the voltage between VDD and VSS
  3. They minimize voltages between VSS and ground
  4. They minimize voltages between VDD and the board's positive rail

Diagram (A) in Fake Name's answer is by far the best one for minimizing changes drawn on the supply wires, since changes in the current drawn by the CPU will have to change the cap voltage before they can cause any change in the supply current. By contrast, in diagram (C), if the inductance to the main supply were ten times that going to the bypass cap, then the power supply would see 10% of any current spikes regardless of how big or how perfect the cap might be.

Diagram (C) is probably the best from the perspective of minimizing changes in the voltage between VDD and VSS. I would guess that it's probably more important to minimize variations in the supply current, but if it's more important to keep the VDD-VSS voltage steady, diagram (C) might have a slight advantage.

The only advantage I can see for diagram (B) is that it probably minimizes differential voltage between VDD and the board's positive supply rail. Not really much of an advantage, but if one were to flip the rails, it would minimize the differential voltage between VSS and ground. In some applications that could be important. Note that artificially increasing the inductance between the positive supply rail and VDD might help reduce the differential voltages between VSS and ground.

supercat
  • 46,736
  • 3
  • 87
  • 148
8

As a side note separate from the layout issue, note that there are reasons to use an assortment of capacitor values (e.g. 1000 pF, 0.01 μF, and 0.1 μF) rather than just 0.1 μF capacitors throughout.

The reason is that capacitors have parasitic inductance. Good ceramic capacitors have a very low impedance at the resonant frequency, with the impedance dominated by capacitance at lower frequencies and dominated by the parasitic inductance at higher frequencies. The resonant frequency generally decreases with increasing part capacitance (mainly because inductance is about the same). If you use only 0.1 μF capacitors, they give you good performance at lower frequencies, but are limiting your high frequency bypassing. A mix of capacitor values gives you good performance at a range of frequencies.

I used to work with one of the engineers who did the schematic design + layout for the Segway motor drive, and he got the DSP's analog-to-digital converter noise (primary source being the DSP system clock) down by a factor of 5-10 by changing capacitor values and minimizing ground plane impedance using a network analyzer.

Ariser
  • 3,943
  • 3
  • 24
  • 44
Jason S
  • 14,038
  • 3
  • 42
  • 70
  • 3
    Sorry for necroing this, but how exactly might one achieve this reasonably well on a board? The way I'm picture it would be essentially "rings" of decoupling/bypass caps around an IC, smallest values closest. So, 1000pF caps closest to the IC at the respective power pin pairs, then a 0.01uF close by, and then a 0.1uF or two near by those. – Toby Lawrence Sep 15 '12 at 13:18
  • 2
    I think you're probably right, but I'd lump 1000pF and 0.01uF together in terms of high-frequency importance. 1000pF has lowest inductance + should be closest, but 0.01uF not far behind. The function of the various range of capacitance is to make those low-impedance notches available to the IC. – Jason S Sep 17 '12 at 12:53
  • 2
    Best layouts I've seen usually place these critical HF capacitors on the back side of the board right under the IC in question. – Jason S Sep 17 '12 at 12:54
6

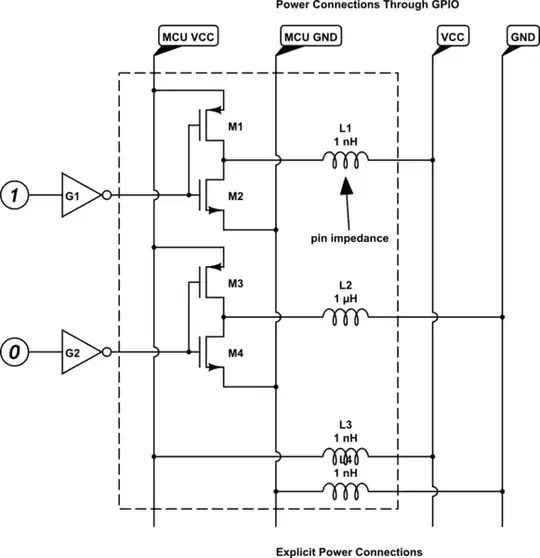
There's a yet another trick in minimizing the impedance between the internal GND and VCC rails in the MCU, and the power planes.

Every unused MCU I/O pin should be connected to either GND or VCC, chosen so that roughly the same number of unused pins goes to VCC as to GND. Those pins should be configured as outputs and their logic value should be set according to what power rail the output is connected to.

That way you provide extra connections between the MCU's internal power rails and the power planes on the boards. These connections simply go through the package inductance and ESR, and the ESR of the mosfet that's turned on in the GPIO output driver.

schematic

simulate this circuit – Schematic created using CircuitLab

This technique is so effective at keeping the MCU's interior tied with the power planes that sometimes it pays to choose the a package for a given MCU that has more pins than needed, just to increase the number of redundant power pins. If your board manufacturer can tackle it, then you should also prefer leadless (LCC) packages as they usually have lower board-to-die inductance. You might want to verify that by consulting the IBIS model for your MCU, if there is one.

  • What about the risk of shortcircuits (e.g. due to a software error)? – Peter Mortensen Jan 13 '16 at 00:55
  • 3
    @PeterMortensen Such wouldn't be catastrophic. The pin drivers are effectively current sources. If you mess up, all that happens is your MCU runs hot and you might go over absolute current or dissipation ratings if you're particularly unlucky. Your software shouldn't act up. If you expect significant problems from it acting up, code as if it were a Class B safety software. The background consistency checker will catch wrong pin states and act accordingly. – Kuba hasn't forgotten Monica Jan 13 '16 at 14:18
3

Even though your design "works" as is, in my experience, I found out that if you don't do a "good" job at decoupling and bypassing, your circuits will be less reliable and more susceptible to electrical noise. You may also find that what works in the lab, may not work in the field.

Guill
  • 2,466
  • 10
  • 6
3

It's always best to adopt good practice, especially as it doesn't involve any more work or cost in this type of design.

You should have the vias as close as possible to the capacitor pads, to minimise inductance. The capacitor should be close to the supply and ground leads of the chip. The routing in the second image should be avoided, and the first isn't ideal. If that is a prototype, I'd modify the decoupling for the production version.

Apart from the chip malfunctioning in some circumstances, you could be increasing unwanted emissions.

Leon Heller
  • 38,983
  • 2
  • 62
  • 96
  • 6
    Doesn't really seem to answer his question to me. He said he knows its not the proper practice, but is trying to determine if it is really a big enough deal to change it. – Kellenjb Jun 07 '11 at 20:37
  • 1
    As I understand it, the decoupling caps has two duties. One is as a power reservoir, the other is for noise filtering. The cap looks like a low-pass filter to the input. Only the filtering would be affected by the routing, yes? In the bottom examples, the ground return is on the "opposite" side of the mcu power pin, so filtering is not effective. Does this make sense? – morten Jun 07 '11 at 21:07
  • The capacitor has to deal with some very short-lived high-current spikes, so the routing needs to be correct on both counts. – Leon Heller Jun 07 '11 at 21:50