It's not clear what the "bypass capacitor" is. I see two thru-hole pads plus some of the microcontroller pads. I can only assume that these two pads are for the bypass capacitor, although that otherwise makes little sense.
First, use a SMD bypass cap! I can't even guess what you were thinking, but using a thru-hole bypass cap is ridiculous here. SMD caps will have less series inductance. They are smaller and can be placed closer to the micro. Their connections are already on the same plane as the micro's pins, so they simplify routing by not taking space in other layers. As a bonus, they are easier to solder by hand, cheaper to install with automated manufacturing, and cheaper to purchase.
To answer your question, neither layout is great because they are encumbered with the thru-hole cap, but the top concept is somewhat better. Even better would be for the ground from the cap to be connected directly to the GND pin right under the power pin, not back to the local ground star point.
Keep the bypass currents local and the loops small.
I see you are getting some bad advice in other answers. No, do not run the bypass cap return current across the ground plane.
Think of the microcontroller as a high frequency current source between power and ground. The bypass cap is the shunt for those high power currents. It keeps the local power supply voltage steady despite the noise current. It must be connected with short leads to do its job well.
However, you want to keep those high frequency noise currents off the ground plane. In your bottom layout, your ground plane is now a center-fed patch antenna.
Here is a snippet of a recent layout I did:

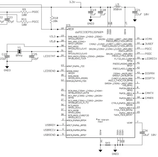
The 44 pin QFP device near the middle is a microcontroller. It has three pairs of power and main ground pins. These are bypassed by C19, C20, and C26. This is a four layer board, with all but the ground plane in layer 3 shown. The three ground pins are tied together on the top (red) layer in the middle under the micro. That point is tied to the main ground by the double thru-hole pads labeled SH3.
The SHx devices are what I call "shorts". These constructs are just connections on the circuit board, but allow each side of the connection to be a different net in Eagle. This guarantees a single connection point between the local microcontroller ground net and the main ground, and allows me to explicitly place where that connection point is.
C21 (above the micro) bypasses the analog power and ground. Again the bypass cap is immediately between the two power and ground pins. However, in this case the analog ground pin is connected to the main ground with a via immediately at the pin. This is because that pin is used as the analog reference voltage for the A/D. The bypass current still flows in a small local loop between the two pins and C21, but the analog ground pin gets a clean ground connection. In this case, I also filtered the analog power thru the chip inductor L5.
The power connections can be a bit more circuitous when you practice good bypassing. The 3.3 V power is the fat traces connecting to C20 (bottom), C19 (left), and L5 (top). C26 (right) doesn't connect to power. It is on the Vcap pin to stabilize the internal voltage regulator in the micro.
Note that the crystal connections are also grounded to the local net. The crystal is Y1 (left), and its filter and load caps are C24 and C25. The ground of these caps go back to the local microcontroller ground, not the main ground. To keep it from radiating, you don't want the MHz crystal signals running across the main ground.
For reference, here is a snippet of the schematic showing this microcontroller and its power, ground, and crystal connections:

The point is to give the local loop currents good and short loops to flow over, and to keep these currents off the main ground. The main power and ground currents should only be the total power and ground current going into and out of the subsystem.
The ground return currents from the digital signals going into and out of the micro to elsewhere will run across the main ground. That's what it's for. That will cause some radiation from the ground plane, but a lot less than if the local currents were to excite it as a patch antenna.
I go into more detail about this at https://electronics.stackexchange.com/a/15143/4512.