In this circuit the LED flashes on and off, however could it be classified as an astable multivibrator?

- 61
- 1
- 4
-
Do you know what an astable multivibrator is? – dirac16 Nov 05 '17 at 05:35
-
yes but a lot of them seem to all mirror one particular set up, so I wasn't sure whether you could have something else and still be one. – Lisa Ban Nov 05 '17 at 05:47
-
Lookip def’n: astable – Tony Stewart EE75 Nov 05 '17 at 05:52
-
1If the LED is typical 20-mA one, then it will flash. Just once, because it will pop. – next-hack Nov 05 '17 at 08:04
-
Yes, it oscillates so YES it is an astable. || That cct is usually intended to operate on Vbat in 1.5 - 3v range. As next-hack implies, the LED on-current will be high. It may still operate but will be "suboptimal". – Russell McMahon Nov 05 '17 at 10:49
-
I see this is the same circuit you posted here: https://electronics.stackexchange.com/questions/336377/flashing-led-circuits/ Just a note. – jonk Nov 05 '17 at 17:20
1 Answers
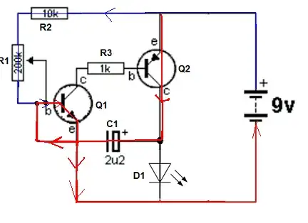
This circuit is a complementary astable multivibrator. In fact, the circuit is just a two-stage command emitter amplifier with positive feedback add by the capacitor.
At the beginning of a cycle, \$Q_1\$ turns ON by the current provided to the transistor base from supply via \$R_1, R_2\$ resistors. The \$Q_1\$ collector pulls down the \$R_3\$ resistor and \$Q_2\$ base to GND. So, that the \$Q_2\$ base current begins to flow. And this turns ON \$Q_2\$ transistor and allows \$Q_2\$ collector to pulls his collector high (to Vsupply voltage). At the same time \$C_1\$ starts to charge (very quickly, because of a very large charging current, almost a short circuit).
And the capacitor will continue the charging process until capacitor voltage reaches around \$V_{LED} - V_{BE1} \approx 3V - 0.7V \approx2.2V\$
At the end of a charging phase\$C_1\$ capacitor no longer can provide any current to the \$Q_1\$ base. The \$Q_1\$base current is now only coming from \$R_1\$ and \$R_2\$ resistors. And this current is too low to maintain saturation in \$Q_2\$. And this is why \$Q_2\$ immediately after \$C_1\$ was fully charged comes out from the saturation region into the linear region. And voltage at \$Q_2\$ collector starts to drop. And this drop in \$Q_2\$ collector voltage is feed back via \$C_1\$ onto the \$Q_1\$ base. And the voltage at the \$Q_1\$ base drops from \$0.7V\$ to \$-2.2V\$. And this negative voltage at the \$Q_1\$ base immediately cut-off \$Q_1\$ and \$Q_2\$ at the same time.
\$C_1\$ capacitor starts the discharge phase via \$R_1 , R_2 , D1\$
And when the capacitor voltage reach \$0V\$ (\$0V\$ at \$Q_1\$ base) the capacitor will start the charging phase but this time in the opposite direction (in the reverse direction, but the charging current will still flow in the same direction as before). The voltage at \$Q_1\$ base starts to increases from \$0V\$ towards \$Vsupply\$ due to the \$C_1\$ capacitor charging phase. And as this voltage reaches \$Q1\$ transistor forward voltage (\$0.6V\$) \$Q_1\$ starts to conduct the base current. So \$Q1\$ and \$Q2\$ turns-ON again. And the cycle repeats itself.
- 14,576
- 1
- 20
- 36
-
Now compute how likely it is that this circuit will work with randomly selected junkbox TO92 NPN BJTs, if you have to replace the pot with a fixed resistor. ;) – jonk Nov 05 '17 at 17:27
-
@jonk Good question. But in real life, it will be better to use your version of the circuit. – G36 Nov 05 '17 at 19:02
-
-
-
@G36 maybe ON/OFF is better than open/closed. Sometimes "open" can be taken as "open circuit". – emnha Oct 11 '21 at 13:56

