4

I was reading Hayt Kemmerly Engineering Circuit Analysis Book,(I tried others, but this is the most comprehensible to me.), And I came across this circuit. I understand the first two, but I don't understand how, in the 3rd circuit (c), there is negative voltage through the resistor \$R_3\$ , while the current through it from \$+\$ to \$-\$ is positive \$7A\$. I don't understand how resistors can supply voltage. My guess is this is only a mathematical model, not real.

Edit: The Answers are shuffled in this book. Edit 2: It looks like this book is not in the public domain, as I originally thought. However, I am not removing this image because it falls under fair use. Hayt Kemmerly Engineering Circuit Analysis

Angular Orbit
  • 67
  • 1
  • 7

5 Answers5

23

In a passive device, negative absolute resistance cannot exist. However, negative differential resistance, where an increase in voltage leads to a decrease in current or vice versa, is observed in a number of rather common systems, such as neon signage and fluorescent lighting, as well as some more esoteric ones like tunnel diodes. Below is a figure showing an I-V curve for a generic electrical discharge; notice the region between points D and G where the voltage decreases as the current increases. This is the region in which both fluorescent lighting and neon signage normally operate.

A current-voltage curve for a generic electrical discharge. (image source)

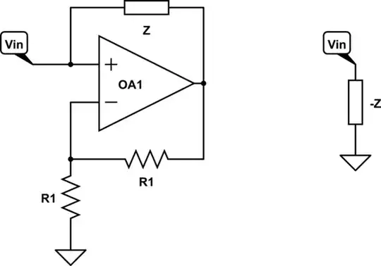
Negative absolute resistance can exist over limited ranges by using active elements. There's an op amp circuit commonly called a negative impedance converter that simulates a negative resistance, capacitance, or inductance by using an op amp and feedback:

schematic

simulate this circuit – Schematic created using CircuitLab

The two circuits above are equivalent, provided the op amp does not saturate.

Hearth
  • 32,466
  • 3
  • 55
  • 133
  • 7
    This seems not to be an answer to the actual question? – asdfex Sep 28 '19 at 10:34
  • 7
    @asdfex The question asked "is negative resistance possible". – Hearth Sep 28 '19 at 11:32
  • 9
    No, that's just the title. The actual question is a very different one about understanding a simple schematic diagram in a textbook. – asdfex Sep 28 '19 at 12:52
  • 8
    @asdfex I prefer to answer the question that is explicitly asked, rather than one that is implicit in the context. There is only one question mark in the question, and it's at the end of the sentence "is negative resistance possible?". – Hearth Sep 29 '19 at 11:05
7

My apologies to everyone, the original solution was wrong, I had the direction of the currents through R2 and R3 reversed. Solution now edited.


If we Measure all voltages relative to the common junction of the 2 ohm resistor, R2, the 8A current source and the 3 ohm resistor then:

  1. Summing the currents at the node at the top right gives the 37V voltage source supplying a current of 7A. (15-8)
  2. At the - end of the 37V source the 2 ohm resistor has 6A flowing through it therefore the current through R2 is 1A to make up the 7A.
  3. The top end of the 2 ohm resistor is at -12V (2 ohms X 6A). and hence R2 = 12 ohms (12V / 1A).
  4. The node at the top right is at 45V as 15A flows through the 3 ohm resistor.
  5. The other end of R3 (the + end of the voltage source) is at 37-12 = +25V (the voltage across R2 and the 2 ohm resistor {-12V} + the 37V source)
  6. The voltage across R3, Vs = 20V (45-25).
  7. -7A is flowing through R3 and hence R3 = -20/7 ohms, or approximately -2.86 ohms.

The more I look at it, the more I think the "-" in front of the 4 and 20 in the answers is just a dash (hyphen) not a minus sign.

Peter Jennings
  • 2,392
  • 1
  • 5
  • 16
  • 1
    If the node at the top right is at +45V, the top end of the 2 ohm resistor is at 12V. Note the 6A current direction. – Janka Sep 28 '19 at 11:31
  • There is something wrong with your solution. To see why try to solve it with the values you give. – G36 Sep 28 '19 at 11:39
  • Peter, there's another mistake in your solution. As you found out, the potential at the left end of R3 is +25V, while the potential at the right end of R3 is +45V. This means there has to be a current flow from right to left. This contradicts the sum current of the upper right node. That's what the OP's problem is about. – Janka Sep 28 '19 at 15:08
  • Where do you see "R2 = -20 ohms" in the answers? None of the questions quoted by the OP asks for resistances at all, or has answers in ohms. Question 2-4 asks for a current ($i_x$) in each of the three figures, and has the answer "-4; 1; 3 A". Question 2-5 asks for voltages ($v_x$) and has the answer "-20; 15; 25 V". (Apparently, according to the OP, the order of the answers doesn't match the order of the figures, because obviously that would be too simple and logical. :P) – Ilmari Karonen Sep 28 '19 at 16:16
  • 2
    Anyway, if you pay attention at your steps 6 and 7 (everything up to that looks fine to me) you'll notice that the 7 A current across R3 is flowing from +25 V to +45 V. That's not how a normal resistor works. – Ilmari Karonen Sep 28 '19 at 16:23
  • 2
    @IlmariKaronen OK you are right. My solution is still faulty, I'll put it right. I somehow wonder if the original book has an error. From the look of it it seems highly unlikely they would have been including negative resistors. Maybe someone didn't check the exercises carefully enough and made the same mistakes that I have. – Peter Jennings Sep 28 '19 at 16:38
5

To get the current and voltage values that were shown in the book.
You indeed need a negative resistance in the circuit. The R3 needs to have negative resistance \$R_3 = - \frac{20V}{7A} = -2.857\Omega\$

Because for the positive resistance we get this result:

enter image description here

As you can see the result is not even a close to the book solution.

But if we use a "real" negative resistance (negative impedance converter) instead.

The simulation result will match the book solution:

enter image description here

G36
  • 14,576
  • 1
  • 20
  • 36
  • I love this answer. (Could you add the actual currents in the 2Ω and 3Ω resistors in both cases?) – Janka Sep 28 '19 at 15:11
  • Oh, neat. I don't think I've seen a floating NIC before; I guess it's obvious it would be possible but I'd never considered it. (it isn't exactly something you need very often, if ever) – Hearth Sep 29 '19 at 11:08
  • It is a great challenge to reveal the idea behind this mess of resistors and op-amps... It reminds me of an interesting RG discussion five years ago, when I managed to do it with Antoniou's GIC. I am tempted to do it with this circuit solution… but I am afraid that I will "waste" the rest of Christmas holidays in thinking :) – Circuit fantasist Dec 27 '20 at 16:13
5

This won't answer the question, but will show how you find that R3 must have negative resistance.

Here's the circuit diagram, with a couple of annotations:

enter image description here

First, from Ohm's law, we know that the voltage across the 2 ohm resistor is 12 V, and the voltage across the 3 ohm resistor is 45 V.

If you take KVL around the loop indicated with the orange arrow, you get

$$ -45\ V + (-12\ V) + 37\ V - v_x = 0$$

This gives you \$v_x = -20\ V\$.

Defining \$I_x\$ as the current through R3 (flowing left to right according to the passive sign convention), and using KCL at node "A" you get

$$ I_x + 8\ A - 15\ A = 0$$

From which, \$I_x =7\ A\$.

You now have

$$R_3 = \frac{v_x}{I_x} = \frac{-20\ V}{7\ A} = -2.86\ {\rm \Omega}$$

It does not matter if you reverse the direction of \$v_x\$. If you do that (and also reverse the direction of \$I_x\$ to maintain the passive current convention) you'll just get \$v_x=+20\ V\$ and \$I_x=-7\ A\$.

The Photon
  • 129,671
  • 3
  • 164
  • 309
0

Ohmic negative resistance doesnt exist.However there is negative resistance.Zener diodes at their breakdown voltages have negative resistance since they create current by quantum tunneling.

  • 7
    Zener diodes don't exhibit negative resistance. I think you might be confusing them with tunnel diodes. – Hearth Sep 27 '19 at 22:33
  • 1
    Quantum tunneling is a type of negative resistance and zener diodes work with quantum tunneling in reverse breakdown. – Bright Future Sep 27 '19 at 22:39
  • 5
    Quantum tunnelling is the cause of negative resistance in a tunnel diode, but tunnelling itself is not a type of negative resistance. – Hearth Sep 27 '19 at 22:47
  • The characteristic of the "Zener" diode does not show a piece of the curve with "negative" resistance. Not the case for a "thermal" breakdown with "some" transistors. – Antonio51 Jan 09 '22 at 14:33