8

How do I make/describe an element with negative resistance of minus 1 Ohm?

It's I–V characteristic should then be

\$I = -U\$

Is this possible?


  • I need exactly what I wrote. No compromises. The negative resistance should not be used differentially.
  • I need to build such the device. It should not only work grounded, but at any potential.
  • Of course it should be kind of "active".
  • If a power source is required for such a device -- then that is ok. Power sources are allowed :)
Sven B
  • 5,167
  • 9
  • 25
Dims
  • 535
  • 6
  • 15

5 Answers5

18

You can make such a device using active components. If one end of the resistor is grounded, this simple circuit would work, at least in theory. The op-amp would have to be able to deliver sufficient current and have sufficient voltage swing for whatever voltage you wanted to apply.

schematic

simulate this circuit – Schematic created using CircuitLab

For example, if you apply 5V, the op-amp would have to swing to +10V while sourcing 5A.

An actual negative resistor would be a power source (P = E^2/R) so it's impossible to have such a device that does not use or contain a source of energy.

There are a few devices and circuits that exhibit negative differential resistance- over some region of operation the current drops with increasing voltage (while the total current is always positive). For example, Esaki diodes, discharge tubes, switching power supplies. So in a small signal analysis, resistance can be negative.


Edit:

You've added that you require it to be ungrounded. In that case, merely power it by a battery or an isolated DC-DC converter and use the circuit as shown (with a suitable power op-amp). There are still many "compromises" - as in limitations and non-idealities as there are with any real circuit or element, of course.

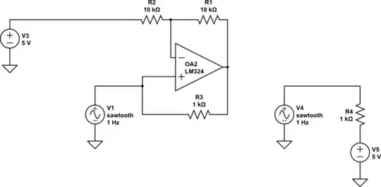
Here is a simulation with a 1K resistor for R1 which simulates a -1K resistor.

schematic

simulate this circuit

enter image description here

As you can see the current through the simulated -1K resistor is the mirror of the current through the real 1K resistor R4. I've offset the other side of the resistor by 5V from ground in each case and the sawtooth goes from 0 to 10V so the voltage across each element goes from -5V to +5V. Not shown are the power supplies.

You won't easily be able to simulate the isolated version because op-amp models typically have ground nodes within the model.

Spehro Pefhany
  • 397,265
  • 22
  • 337
  • 893
  • "For example ..." -- any "constant power" device, in fact! If I*V = constant, then increasing V must decrease I – Pete W Dec 24 '20 at 22:05
  • And what is the idea of this circuit? What does it do? What is the point of using it? I deeply doubt that the OP will understand something of what is written here ... – Circuit fantasist Dec 24 '20 at 22:37
  • 1
    @Circuitfantasist in that case write a better answer. – user57037 Dec 24 '20 at 22:38
  • 3
    @mkeith No, no, don't dare Circuit fantasist to write an answer! – Elliot Alderson Dec 24 '20 at 23:10
  • 1
    @PeteW it is not enough that the slope of the V/I curve be negative. It must also be linear, or somewhat linear. A resistor means V / I = k, where k is constant. A constant power load means that V * I = k, where k is constant. Not the same thing. – user57037 Dec 24 '20 at 23:10
  • 1
    @Circuitfantasist It behaves like a -1 ohm resistor with one end grounded. Just as requested. For 0V input (short the input to ground) current is 0. For 1V input, current into point X is -1A. Etc. – Spehro Pefhany Dec 24 '20 at 23:25
  • 1
    @PeteW A switching power supply with a constant load on a regulated output is (ideally) a constant power device. But it's only differential resistance. If you look at the input current at the minimum input voltage at which it will operate, the current will flow into the (+) terminal of the supply. As you increase the voltage the current will decrease from that (high) value to lower values. But it will never get to zero, let alone negative. – Spehro Pefhany Dec 24 '20 at 23:28
  • @Spehro Pefhany, I agree with you... but my doubt was if OP would understand it. I perfectly understand you and know what is the point of this. But I know it from before. The idea of ​​what we write here is OP not only to be able to make it but also to understand what he/she has made... – Circuit fantasist Dec 24 '20 at 23:40
  • Non idealities and limitations are ok. Device should fullfill specified V-A in some range and with some precision. – Dims Dec 24 '20 at 23:47
  • What are X and arrow on this schematic? – Dims Dec 24 '20 at 23:49
  • 1
    X is the connection point to the -1 ohm simulated resistor, other end is to ground. – Spehro Pefhany Dec 24 '20 at 23:50
  • Is it possible to apply of DC, say from 0 to 5, in simulation and see, that currents behave as required? – Dims Dec 24 '20 at 23:52
  • 1
    Yes, with an appropriate op-amp model. Try it yourself and see. It will work with any op-amp if you simulate a -10K resistor by changing R1 to 10K. – Spehro Pefhany Dec 24 '20 at 23:55
  • @Circuitfantasist I will undestand something, although it won't be easy; I know what does this triangle mean :) – Dims Dec 24 '20 at 23:55
  • @mkeith - very true, I was just referring to a more general (and easy to explain) version of a highly efficient power converter. – Pete W Dec 25 '20 at 00:35
  • Cool idea with the battery. You'd want the ground to be mid supply in that case, I believe, in case of negative inputs – Pete W Dec 25 '20 at 13:50
  • 1
    @Spehro Pefhany, I wrote my answer though three years later... Among other things, through it I would like to show that the art of explaining is no less important than the art of designing circuits :-) Cheers! – Circuit fantasist Nov 12 '23 at 13:37
8

A resistor is a two terminal circuit element that enforces the following relationship between voltage and current:

V / I = R

Where V is the voltage measured across the two terminals, and I is the current flowing through the element. To be a resistor, R must be constant over a range of voltage and currents.

Logically, then, a resistor with resistance of -1 Ohms would be a two terminal element which enforces the following rule:

V / I = -1

I think this explains what a negative resistance is or would be at a theoretical and/or mathematical level. Approximating a negative resistance with electronics is possible (see Spehro's answer). But that is more of a negative resistance emulator than a true negative resistance.

A true negative resistor would deliver power to any voltage source connected to it. The higher the voltage (in magnitude), the more the power. So this is not possible for a passive circuit element. Spehro showed how it can be done with active elements.

user57037
  • 29,324
  • 1
  • 30
  • 85
  • No, this does not explain anything useful to one who wants to make a negative resistor. To make sure of this, ask the OP to make a negative resistor according to your recipe. It is a recipe for mathematicians.They will even write, for their convenience, a/b = c and a/b = -c ...and will be happy... – Circuit fantasist Dec 24 '20 at 23:32
  • 7
    @Circuitfantasist write your own answer. Nothing is stopping you. Also, please stop speaking for the OP. That is presumptuous. – user57037 Dec 24 '20 at 23:33
  • 1
    Passivness of an element is not required. Negative resistor should change electromotive force inside it according to applied voltage. – Dims Dec 24 '20 at 23:45
  • @mkeith, Let's not deviate from the topic, which is very interesting from every point of view. (I think of OP because I am a teacher and that is my main task - to think about students. I think there is nothing wrong with that and to treat the questioners here as my students.) – Circuit fantasist Dec 24 '20 at 23:49
  • 5
    @Circuitfantasist you are a teacher sitting in on another professor's class and criticizing the curriculum and method of presentation in front of all the students (and the world). Please go teach your own class. That is what I am asking you. – user57037 Dec 24 '20 at 23:54
  • @mkeith, You imposed too many restrictions on me... How do I handle this impossible task? After a while, the moderators will intervene and it will become impossible... Oh, it happened 2 hours after midnight. See you tomorrow. – Circuit fantasist Dec 25 '20 at 00:09
  • 1
    I agree with Fantasist. The question posted by OP already showed they understand that a negative resistor would have the relation $V=-I$. – The Photon Dec 25 '20 at 00:22
  • @ThePhoton thank you. Nevertheless I will leave this answer here for the benefit of people who may find it by searching the wide web. Of course you are also free to answer the question the way you think it should be answered or downvote my answer or upvote Spehro's answer. – user57037 Dec 25 '20 at 01:43
4

Some history

Looking at the writing here, I nostalgically remember that anxious time of the pandemic three years ago when we stayed at home on New Year's Eve, and wrote... and wrote... I never managed to write my answer then, but now I will do it much more effectively with the help of CircuitLab. What I lacked to make conceptual diagrams of negative resistors, I already have - the so-called behavioral sources, whose parameters can be set with expressions.

The secret of negative resistance

There are two types of negative resistance - true (absolute) and differential. Both are dynamic devices whose parameters depend on the input value, but the former are sources while the latter are resistors that need sources. It seems that OP means the true negative resistance so I will consider it. Despite the "mysticism" with which it is surrounded, it is a very simple and intuitive concept.

Both "positive" and negative resistors are two terminal devices with linear relationship between voltage and current (Ohm's law). But while an ordinary "positive" resistor subtracts voltage from the supply voltage, the so-called voltage-inversion negative impedance converter (VNIC) adds voltage to it; while an ordinary resistor draws current from the supply voltage, the current-inversion negative impedance converter (INIC) injects current to it. This is the meaning of the negative sign before V or I.

The benefit of negative resistance is that it can neutralize equivalent positive resistance. Both NICs "help" the main source - VNIC "helps" a voltage source in series; INIC "helps" a current source in parallel. Figuratively speaking, they "eat" some of the positive resistance and what remains is only positive resistance. The best way to see how this can be done is to consider some basic applications. I have chosen two interesting ones - improving an imperfect ammeter and voltmeter to make them "ideal".

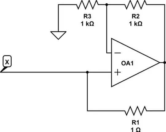
I allowed myself to replace the 1 Ω OP's resistance with the more realistic 1 kΩ value even though the simulator did not object.

Making an "ideal" ammeter with VNIC

Voltage source supplies a resistor

Imagine that we want to measure the current in the simple Ohm's circuit below.

schematic

simulate this circuit – Schematic created using CircuitLab

Measuring the current by a perfect ammeter

For this purpose, we can include a perfect ammeter AM with zero internal resistance; its reading is as we expected 1 mA. Also, to measure the voltage drop across the resistor R without complicating the circuit, let's replace the resistor by an imperfect voltmeter VM1k with 1 kΩ internal resistance (we can set it in the voltmeter parameters window). Figuratively speaking, it will be a "voltage-visualized resistor".

schematic

simulate this circuit

Measuring the current by an imperfect ammeter

However, our goal is to convert the "bad" ammeter into a "very good one". Therefore, we first deliberately "degrade" it (as we did with the voltmeter above) by giving it a resistance of 1 kΩ; as a result, the current decreases twice. Then, we start thinking about how to improve it (but in our own way, not through CircuitLab). Indeed, there is something comical about the fact that we have a perfect ammeter that we "ruin", and then make it perfect again:-) but we do it for the purposes of the good explaining. This is a typical didactic trick that I have often used when explaining circuits to my students.

schematic

simulate this circuit

Compensating the ammeter voltage drop by a constant voltage source

Since voltage is lost in the ammeter, we guess to add the same voltage in the circuit. Great idea! To implement it, we connect another voltage source R-1k in series with the ammeter, and set its voltage equal to the voltage drop across the ammeter. As a result, the ammeter voltage drop is neutralized, and the string of the two devices in series - AM1k and R-1k, behaves as an "ideal" ammeter with zero resistance and zero voltage! The 1 mA current is determined, according to Ohm's law, only by the 1 V input voltage and the 1 kΩ voltmeter's resistance.

schematic

simulate this circuit

Compensating the voltage drop by a following voltage source

But this trick only works for one input voltage value. So we need to make it continuously follow the ammeter's voltage. For this purpose, we replace it with a varying "copying" source R-1 which is controlled by the same current (current-to-voltage converter). I have implemented it as a behavioral voltage source with a voltage VR-1 = 1000.IAM1k. Figuratively speaking, it behaves as a negative resistor with the same but negative resistance of -1 kΩ so the combination of the two devices always has zero total resistance.

schematic

simulate this circuit

It turns out that CircuitLab allows negative resistance values to be set. Then let's simplify the conceptual schematic even more.

schematic

simulate this circuit

Compensating the voltage drop by VNIC

VNICs are made the same way as the negative resistance compensation above - by adding (but twice as much) negative resistance to positive resistance (R - 2R = -R). The idea of this is as follows.

Conceptual circuit: To produce a negative resistance, the converter needs a positive resistance to copy the voltage drop across it; hence the name "negative impedance converter". However, it must then remove this positive resistance so that only negative resistance remains that destroys the undesired ammeter resistance (R + R - 2R = 0). So the behavioral voltage source now produces two times higher voltage VR-2 = 2.1000.IAM1k.

schematic

simulate this circuit

Note the opposite voltage polarity (hence the name "voltage-inversion NIC").

Practical circuit: To implement this powerful idea by an op-amp circuit, we pass the current through the 1 kΩ "original" resistor R1, amplify the voltage drop across it by an "little unusual" op-amp non-inverting amplifier (OA, R2 and R3), and sum the two voltages. Since the currents flowing through R1 and R2 are the same, the voltage drops are I.R1 - I.R2 - I.R3 -> V - V -V = -V. So, the circuit produces a voltage equal to the voltage drop across the ammeter but with the opposite sign, i.e., it behaves as a -1 kΩ negative resistor. The result is zero voltage drop and zero resistance ("virtual short").

schematic

simulate this circuit

Making an "ideal" voltmeter with INIC

Now let's consider the dual, no less interesting NIC application.

Voltage source with a resistor in series

Imagine that we want to measure the output voltage of an imperfect voltage source with 1 kΩ internal resistance R.

schematic

simulate this circuit

Measuring the voltage by a perfect voltmeter

For this purpose, we can connect a perfect voltmeter VM with infinitely high internal resistance; its reading is as we expected 1 V since there no current flows. Also, to measure the current flowing through the resistor R later without complicating the circuit, let's replace the resistor by an imperfect ammeter AM1k with 1 kΩ internal resistance (the same trick as above). Thus it will be a "current-visualized resistor".

schematic

simulate this circuit

Measuring the voltage by an imperfect voltmeter

However, our goal is to convert a "bad" voltmeter into a "very good" one. Therefore, we first deliberately "degrade" it (as we did with the ammeter above) by giving it a resistance of 1 kΩ, and start thinking about how to improve it (but in our own way, not through CircuitLab).

schematic

simulate this circuit

Compensating the voltmeter current by a constant current source

Since some current is consumed by the voltmeter, we guess to apply the same trick as above - to add the same current to the circuit. Really great idea! To implement it, here we connect another current source R-1k in parallel to the voltmeter and set its current equal to the current consumed by the voltmeter. As a result, the latter is neutralized and the combination of the two devices - VM1k and R-1k, behaves as an "ideal" voltmeter with infinite resistance and zero current! As you can see, no current is consumed by the voltage source, and the current through the "bad" voltmeter is entirely provided by the additional current source.

schematic

simulate this circuit

Compensating the current by a following current source

But this trick only works for one input voltage value. So we need to make the "helping" current source continuously follow the voltmeter's voltage. For this purpose, we replace it with a varying current source which is controlled by the same voltage (voltage-to-current converter). It is implemented as a behavioral current source producing current IR-1k = VR1k/1000. It behaves as a negative resistor with the same but negative resistance of -1 kΩ so the combination of the two devices always has infinite total resistance.

schematic

simulate this circuit

Let's again take advantage of CircuitLab's ability to set negative resistаnce values and simplify the conceptual schematic even more.

schematic

simulate this circuit

Compensating the current by INIC

Conceptual circuit: The converter contains a behavioral voltage source that produces two times higher voltage than the voltage across the imperfect voltmeter - V-2k = 2.VM1k. Then it is converted by the 1 kΩ resistance R1k into a current with reversed direction (it enters instead to exit the imperfect voltmeter); hence the name "current-inversion negative impedance converter".

schematic

simulate this circuit

Practical circuit: To implement this powerful idea by an op-amp circuit, we amplify twice the voltage across the voltmeter by a classic op-amp non-inverting amplifier (OA, R2 and R3), and apply it through the 1 kΩ resistor R1 back to the imperfect voltmeter. So, the circuit produces all the current needed for the imperfect voltmeter. No current is consumed by the voltage source as though there is no load connected ("virtual open circuit").

schematic

simulate this circuit

Conclusions

The OP needs to decide what kind of negative resistor (NIC) they need:

  • If they intend to compensate for losses in a resistor connected in series to a voltage source, they need a VNIC.

  • If they intend to compensate for losses in a resistor connected in parallel to a current source, they need an INIC.

If we look carefully at VNIC and INIC circuit diagrams, we will find that both contain "doubling voltage sources" (non-inverting amplifiers with a gain of 2) but they are used differently:

  • VNIC adds its voltage to the input voltage,

  • INIC subtracts its voltage from the input voltage,

  • but because they are connected differently (VNIC in series and INIC in parallel) to the input sources, both "help" them.

Circuit fantasist
  • 16,664
  • 1
  • 19
  • 61
2

Same idea to the answer with the howland's, but with less stuff -- or a bilateral version of the regular NIC /// update /// realized this is the same circuit of G36 in comment above.

enter image description here

Pete W
  • 1,507
  • 1
  • 6
  • 13
1

Utterly impractical, but just to indulge the puzzle in an abstract sense:

Two howland pumps chould function as a floating "negative resistor" within a bounded range of voltages/currents/frequencies? (for a no-batteries concept)

(Not completely sure I got the +/- right on the Howland pumps but hopefully you get the idea)

PS -- Merry XMAS

enter image description here

Pete W
  • 1,507
  • 1
  • 6
  • 13
  • 1
    Here you have a floating negative resistor https://electronics.stackexchange.com/questions/460605/is-negative-resistance-possible/460678#460678 – G36 Dec 26 '20 at 16:30
  • 1
    Nice, though I have a suspicion that without some compensation these things would very much prefer to oscillate. – Spehro Pefhany Dec 26 '20 at 19:16
  • @G36, It is a great challenge to reveal the idea behind this mess of resistors and op-amps in your answer... It reminds me of an interesting RG discussion, five years ago, when I managed to do it with Antoniou's GIC. I am tempted to do it with this circuit solution… but I am afraid that I will "waste" the rest of Christmas holidays in thinking :) – Circuit fantasist Dec 27 '20 at 16:14