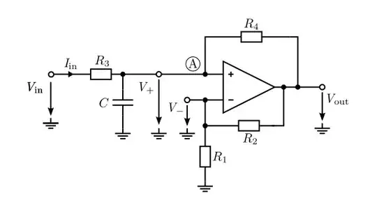
I've got a problem with an operational amplifier, which I need help to find the transfer function $$ H(s) = \frac{V_{\text{out}}}{V_{\text{in}}}$$ Since $$V_{+}(s) = V_{\text{in}}(s)\frac{1}{1+sCR_3}$$ (it is a high-pass filter) I'm only searching for the transfer function of the Operational Amplifier, which is something along \$ H_{V_+} + H_{V_-} \$
Using KVL: \$ V_{+} = V_{R_{4}} + V_{R_{2}} + V_{R_{1}} \Rightarrow V_{\text{out}} = V_{R_{2}}+V_{R_{1}} \Rightarrow V_{\text{out}+} = \frac{R2 + R_4}{R_4 + R_2 + R_1} V_{+}\$
Assuming an ideal operational amplifier: \$V_{-} = V_{R_1} \$ But this neglects the fact, that \$V_- \$ could also be an input, which leads me to the assumption that it can be put in KVL.
From here I'm stuck. How do I solve that problem? How do I get a transfer function? How can I solve the subpart from \$ V_{+,-}\$ to \$V_{\text{out}}\$? Is there an easy way to solve such problems in general?
Since somebody assumed that this is homework: It is part of my studies but nobody will ever ask if I've done it. (I've even got the master-solution, but I'm stuck understanding them.)



