You could use a directly coupled power supply if the unit is completely sealed. Any part of a directly coupled supply and the circuit using its power could be floating at line voltages, so this is not something you want to do for general purpose. As long as everything is sealed in the same unit that just has a line cord coming out, then these types of supplies can be appropriate.
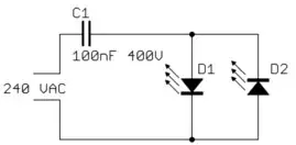
A very simple circuit for driving two LEDs from 240 Vac 50 Hz line power is:

The capacitor will allow about 7.6 mA RMS to flow thru the two LEDs. Each LED protects the other from backwards voltage, and they light on opposite polarity half-cycles of the power line. Not only does the cap need to be rated for the indicated voltage, but it must also be rated for power line use.
This circuit is very quick and dirty in that it doesn't protect the LEDs from power line spikes. The LEDs will limit the voltage, so a power line spike will cause a burst of current thru the LEDs. If that happens too often, it will eventually degrade their lifetime. However, these LEDs are rated for 30 mA continuous and this circuit runs them at 8 mA continuous during normal operation. That will still be plenty bright at night. There is a lot of current headroom, and a occasional higher current spike of short duration really won't hurt them much. LEDs are also cheap and available, and the simplicity of this circuit makes it easy to just try it.
Again, everything needs to be sealed so that it is not possible to touch any conductive parts during normal operation.
The main advantages of such a direct coupled power supply is that it is simple and very efficient. A ideal capacitor doesn't dissipate any power. Just about all the power drawn from the line is used to run the LEDs.
Calculating capacitor value:
One way to calculate the current in this circuit is by dividing the voltage accross the capacitor by its impedance magnitude. The impedance magnitude is:
R = 1 / (2 π F C)
When F is in units of Hz, C in Farads, then R is in Ohms. In this case the capacitor impedance magnitude, assuming 50 Hz, is 32 kΩ. Figure the LEDs drop about 2 V, so 238 V is put accross the capacitor. 238 V / 32 kΩ = 7.4 mA.
It should be obvious how to work this process backwards to find the capacitance that causes a particular current.