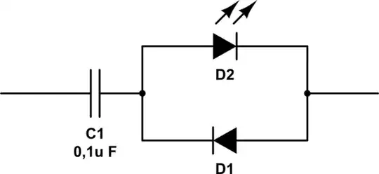
I want to light up an LED with 220 VAC using least components. These two circuits come to mind:
R1, R2 will be around 200K - 300K depending upon the brightness that I will need. Not much brightness is required so I can even go higher if I am able to get some amount of light out of the LED.
Which one (if any) will work?
(I am not much concerned with efficiency as these will be used as indicators when a high power device is turned on. For ex - a geyser. This circuit will be wired in parallel with the geyser to accomplish that. If I use 200K resistor, I'll be using up around 0.25 watts which will be negligible as compared to 1000 watts being consumed by the main device.)





