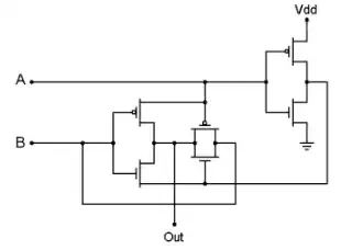
How would you get the truth table for this CMOS circuit where there are two outputs 'A' and 'B' and one output 'Out'? And from that, how would you derive the the Boolean expression along with the logic gate implemented by the circuit?
I would appreciate any help in the technique to answer this question as this circuit is not split into pull-up and pull down network which is throwing me off when trying to apply the NMOS and PMOS rules.
