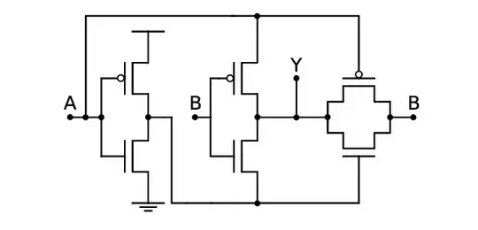
I have come across this circuit for an XOR gate (see below) using 12 transistors in CMOS technology. I am having trouble understanding the circuit, mainly in identifying the logic gates.
I know that an XOR can be made using a NAND, an OR and an AND (see example below). But there are other alternatives, and perhaps this circuit is implementing other logic I can't identify. As some other users already suggested, perhaps this implementation uses transmission gates (an example is also presented below)
Can someone help me? Perhaps the circuit can be rearranged to make more sense to me.




