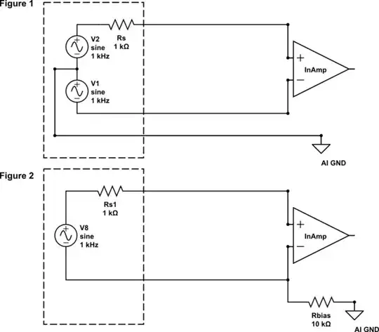
In the following Figure 1 and Figure 2, the sensor is the one in dashed box. The output impedance of the sensor is big and in this case is 1k Ohm.
And as you see regardless of the sensors are bipolar or single-ended output, the sensor ground is shared with the InAmp's AI GND. So in Figure 1 and 2 the sources are not truly floating correct?

simulate this circuit – Schematic created using CircuitLab
On the other hand in below Figure 3, the same sensor's signal and ground first goes to this signal cond. module and then to the InAmp. There is truly isolation so we can say truly floating. The inputs are floating with respect to AI GND and the power supply common.

Why does in Figure 1 and Figure 2 the 1k output impedance matter for common mode noise but not in Figure 3? How can this be explained by using diagrams and current flows ect. for clarity?
After reading Andy Aka's answer here are the models for above scenarios and sim results:


