Excess capacity. ROM chips come in standard sizes based on powers of 2 and it is quite unlikely a particular size will be exactly what a game needs. For example, suppose a game displays numbers that are 8 x 8 pixels in size. It will need the digits from 0 to 9, each digit needs 64 bits so a ROM of 640 bits is required. That could be accommodated with a 512 bit and 128 bit ROM, but in terms of support circuitry, assembly costs and so on it likely is cheaper to use a 1024 bit ROM and not use the extra 384 bits.
Nonetheless, it is possible to have excess capacity without using ROMs. But such hand-rolled solutions will naturally avoid wasting components. Consider the arcade game Space Race. Here's a screenshot of it in action:

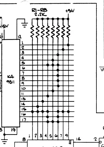
The game does not have a ROM. Instead, it uses a grid of wires to represent the rocketship picture and connects them wherever there is to be a white dot. You can see it this subset of the schematic:

Isn't that just wonderful? Notice how not a dot is wasted. They were even clever enough to lay down only half of the rocketship and use extra circuitry to display the mirror image of it to draw the right side of the ship.
You might ask if the score digits are stored in a wire grid. They are not. In fact, they're done by using a special-purpose chip used in handheld calculators that converts a binary number from 0 to 9 into 7 output bits that control the 7 line segments that make up the number. That binary number is sent to the chip using 4 wires which is actually 16 combinations. The game will only send combinations 0 through 9, what would happen if 10 through 15 were sent?
What, indeed? It depends on the chips used, but let's say for the sake of argument that the chip will do something useful with those numbers. Maybe light up segments that look like the letters A through F.
Aha! In that case the game has unused content! It's pretty boring unused content, but unused content nonetheless and not a ROM in sight.
Nonetheless, I think it is fair and reasonable to discount these cases. And practical, too.. ROM chips have another advantage. We can look at their contents and figure out within the context of the hardware and software what images, audio, etc. they represent. We can do that with the chips on board, but they're all special cases requiring familiarity which each individual chip and how it is connected. A much more difficult proposition and as I've mentioned before, very unlikely to yield much of interest.