To directly answer the question: there is no difference whatsoever on the software side. The CPU core and indeed the die inside the package is exactly the same, just different pins are bonded out in one specific corner. The actual difference is entirely in the clock generator.
The non-E version has oscillator-driver pins for directly attaching a crystal, and produces E and Q clocks in quadrature as outputs:

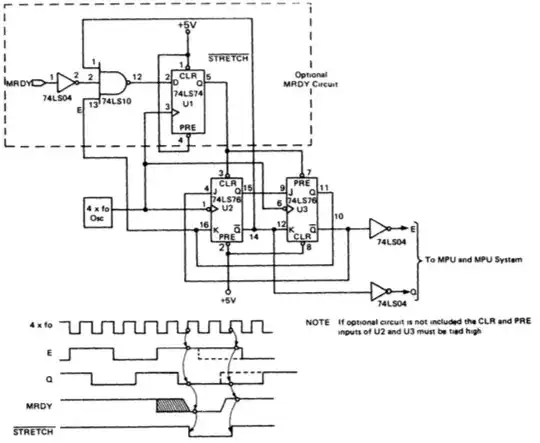
The E version has E and Q clocks as inputs so they must be generated by an external clock generator; it's straightforward to do that with a crystal can oscillator and a pair of JK flipflops. The oscillator-driver pins are freed up for two control signals, TSC and LIC, potentially useful in more sophisticated systems.

(Above diagrams taken from Hitachi's databook, so they refer to their 6309 clone rather than the 6809 itself.) The major point here is that these differences are invisible to software.