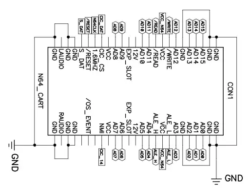
When the N64 cartridge is tilted in Super Mario 64, it reliably produces glitches such as this. Mario's limbs disappear, he rotates 90° and sinks into the floor, and the music gets messed up (usually it goes faster).
What surprises me about this glitch is two things:
It's a very specific and subtle kind of behavior. I would have thought that tilting a cartridge would produce glitches more like "absolutely nothing works because everything's messed up, the game crashes", not "this specific 3d model will be rotated by precisely 90°". I mean, what, is there a special "rotate mario" pin in the cartridge?
This specific behavior can be reliably reproduced. These exact symptoms have been documented online. You can find videos on YouTube of this glitch happening to other people.
How could it possibly be that something as "brute force" as tilting the cartridge could reliably produce such a specific result without just making the whole game crash? This seems to me like dropping a typewriter down a flight of stairs and finding that it's typed out a novel.
I'm not necessarily asking about this specific glitch, I'm just trying to get some kind of a reading on how it's possible for cartridge tilting to reliably produce symptoms like this. Ideally, assume that I have at most basic knowledge about computers, roughly equivalent to a 101 textbook on computer circuitry and some programming experience, although explanations at any level are welcome.

