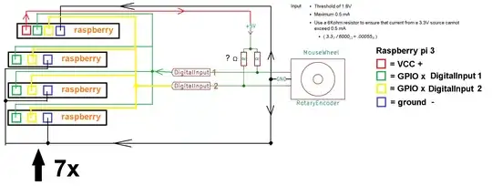
Im having 7 raspberri pi's 3 connected to 7 screens, running an python 2.7 app to download different images from google drive, every raspberry has different images. Geeqie is displaying those images in an slideshow. The idea is to have one hardware scrolling mechanism (like an rotary encoder), providing the same input at the same time to all 7 raspberri pi's their GPIO input pin (or pin's in case of the rotary encoder). The python script handles the input. This is required so all images switch at the same time in geeqie.
Any idea's how to provide the same input signal at the same time in all 7 raspberry pi's 3 their GPIO input pin('s)?
It's not really clear to me how this circuit would look like. With keep in mind the max input current.
Update 15-12-2018:
So far it is working like Dmitry Grigoryev suggested. The python script to detect the input is an slightly modified version of the: Ultimate rotary encoder switch decoder. I only tested it with 1 raspberry so far, will update this when I tested it on all 7 raspberri pi's.



