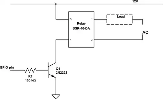
I would like to control on/off switches with relays for lights in my room. I found this relays
and this scheme
http://www.andremiller.net/content/raspberry-pi-pinout-diagram
I have found that GPIO pins are 3.3v. So will I be able to use this relays with 3.3v pins from raspberry pi. Will they have enough mA to power these 220v AC relays. I'm a noob just googling things. Probably got things wrong. I think that maybe mA from pins will not be enough to power a relay. 3.3v from pins sounds good for this relay. If you have any good tutorial and links for noobs on how to do this I would be thankful :)

