The Pi has a standard 3.5mm audio jack, but this cannot be used for audio input
However, we've got a load of GPIO pins on various interfaces. Would it be possible to recieve analog audio into the Pi via the GPIO?
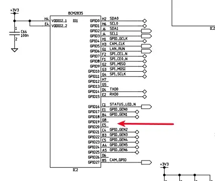
Elinux tells me:
It is also possible to reconfigure GPIO connector pins P1-12 and 13 (chipset GPIO 18 and 21) to provide an I2S (a hardware modification may be required [12]) or PCM interface. However, PCM_FS and PCM_DIN (chipset pins 19 and 20) are needed for I2S or PCM.
There seem to be references to this I2S connection all over the place, but nowhere giving a clear yes or no.
