1

The following diagram is for a photodiode:

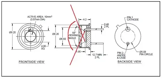
enter image description here https://www.mouser.ca/datasheet/2/313/firstsensor_PC10-2-TO5-1196700.pdf

I ran through the geometry for photodiodes using the window dimensions, die dimensions, distance of of the die to the window, and the "ray" lines indicated by the datasheet. I did this for three photodiodes and every time I came up with an angle rather closely to that listed in the datasheet so it does not seem like it is a coincidence.

For example:

  • 64 Degrees Listed, 68 Degrees Calculated
  • 91 Degrees Listed, 84 Degrees Calculated
  • 100 Degrees Listed, 95 Degrees Calculated

Note that this FOV of view is defined by the 50% sensitivity cutoff (something completely unaccounted for in the trigonometric method I used) and the curve for the sensitivity vs angle isn't necessarily a cosine centered on the active area. There's also diffraction and other effects going on here.

My question is why do those ray lines seem to be chosen for the first order approximation? (i.e. the ray line from the edge of the die's active area to the nearest window edge). Because it seems to make intuitive sense to me that the ray line that traces out the field of view should be from the edge of the die's active area to the opposite opposite far edge of the window as indicated by the red lines, rather than the ones that are actually used.

DKNguyen
  • 9,309
  • 1
    It seems to me the red lines would give (in the ray optics approximation) the angle for 0% response, not for 50%. – The Photon May 29 '21 at 20:34
  • @ThePhoton Hmmmm. You know what that feels plausible though I can't really think of exactly why (at least it provides a counter-reason for why the original line corresponds to 50% and not 0%). I'll run the calculations using the red lines for photodiodes where the curve is provided and see how it lines up with 0% sensitivity. – DKNguyen May 29 '21 at 20:44
  • Using the red lines on it's not out to lunch on two different, but geometrically very similar sample but it's further than it was. 140 degrees calculated both times but the graph cuts off to essentially zero for one part at at 126 degrees and about 140 degrees for the other. – DKNguyen May 29 '21 at 21:57
  • Are you calculating the refraction of the red lines inside the window? This will change the apparent size of the exit pupil as seen from the detector. – JB2 May 30 '21 at 14:00
  • @JB2 No, just calculating angle the red line forms with the optical axis. – DKNguyen May 30 '21 at 16:56

0 Answers0