I am in a Kenwood TK805D and a Kenwood TM241A to interface some of the hidden inner circuitry with the outside world so I can use the radios to do more than just talk on (ex. AllStar node, cross band repeater, packet radio, and much more.)
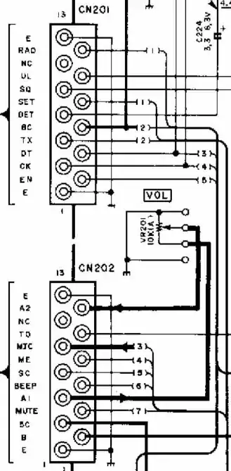
I think I have found the place where I need to interface wires, but I am having trouble interpreting the abbreviations on the schematic. Can anybody help? Below are some connectors where I am looking into interface:
I obviously understand some of them, for example Mic is microphone input, but some (especially the single digit letters) are confusing including E and B, which I am thinking is battery.
On the Kenwood TM241A (svc manual)

On the Kenwood TK805D(svc manual)

Can Anybody help interperet the pinouts of the particular connectors?