Can you help me understand what the topology of my Kenwood antenna tuner is trying to do and what it might be compared to?
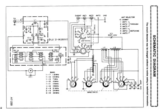
Below is the schematic of my Kenwood AT-230 antenna tuner, and below that what I think is its simplified essence. I do not recognize its topology compared to a typical T, pi, or L-match tuner.
The band switch adjusts L3 and L4/5, as you can see. Physically, L3, L4, and L5 are all separate, and are not coupled.
There is an error in the schematic re pin 7 on the upper rotor on ANT SW(4); see comments below. The pin 7 arrow should be longer so it touches the rotor when the switch is in positions 4 through 6.

