Before I ask my question, I should say that I am very new to working with electronics and I may not quite know how to describe my problem.
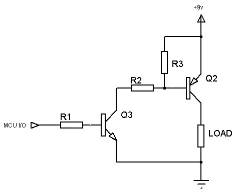
I am trying to use a pin on my msp430 microcontroller I have as a replacement for a pushbutton on a device. The msp430 is 3.3v and the device I am switching is 5 volts. I was under the impression I could use a 2n3904 transistor in place of the button by applying current by turning on the pin on the msp430 which would let current go from the collector to the emmiter, and hopefully "push" the button.
This is my current setup

However, turning the pin on does not activate the circuit. When I connect the jumper for the onboard LED, I can verify the pin is working. also, when I connect the 5v from the collector to the base using a wire, I can activate the transistor.
What other information am I missing to solve this? Thanks in advance
EDIT: After reading the comments, adding a 4.6k resistor between the base and IO pin and connecting my 3v ground and 5v ground allowed me to control the transistor without any noticeable problems. Thank you!

