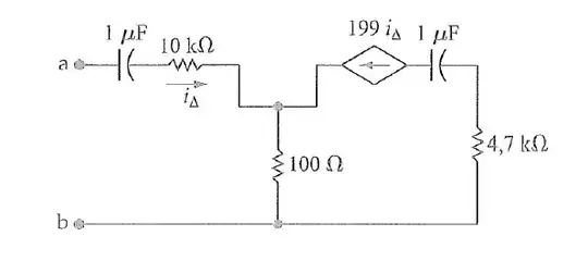
Well, I'm trying to find the Thevenin equivalent of this circuit:

As you can see, the only current source is a dependent source. However, the control variable is in a wire where, if nothing is connected between A and B, is \$i_\Delta = 0\$ A, and that makes the source 0 A. However, if I connect an impedance \$Z\$ to the circuit, I will have current, and a Thevenin equivalent. I don't know how to solve this problem. I've bee searching here for a while, and I found this: Thévenin equivalent with a dependent source . I can see how is solved that case. However, I still don't know how to apply that method to my circuit.
Any help about finding the Thevenin equivalent is appreciated n.n