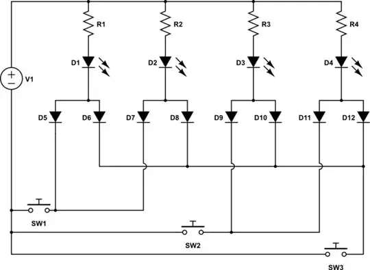
I'm trying to create a "Push Pin" map for a friend as a gift. My friend has traveled through out the world and I'd like to organize the pins by year. So a different color pin for each year he has traveled to a specific location. I'd like to take it a step further and have the different "year pins" light up. For example, I'd like to be able to push a certain button or switch and have all the 2008 pins light up, push another button and all of 2009 pins light up, push another button and all of the pins light up. Does anyone have any direction they think would be a good place to start?
Thanks!
