This photo:

is taken from the book:
The Intel Microprocessor Family: Hardware and Software Principles and Applications,
pageĀ 298.
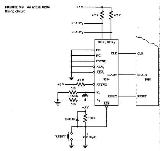
This is a 8284 (clock generator) for the 8088 microprocessor. What is the function of the capacitor and the diode here? The circuit seems to work without them.