In a (tentative) new design I want to connect two 100 Mbit/s Ethernet PHY similar to LAN8270a, separated by few inches on the same PCB, with same ground plane (but different power supplies). I have the choice of one of my PHY, but the other is embedded in an as-yet-unspecified PCIe to Ethernet IC (perhaps Gigabit but used in 100 Mbit/s mode), and it is critical that this PHY thinks there is a bona fide 100 Mbit/s Ethernet connection.
I could use the following

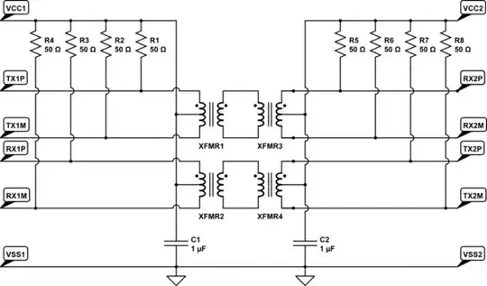
simulate this circuit – Schematic created using CircuitLab
but I would like to achieve the same without the magnetics, in order to save on cost, purchasing headaches, and if at all possible power consumption.
I can imagine an RC network, perhaps as simple as in this appnote, found thanks to a similar question; or maybe engineered with attenuation and lowpass, but that will not emulate the fact that with real magnetics, when there is a negative pulse on TX1P, there is a positive pulse on TX1M and RX2M. I am uncertain about if that would prevent some PHYs from working normally.
Anything to suggest that one is confident will work for practically any PHY around?