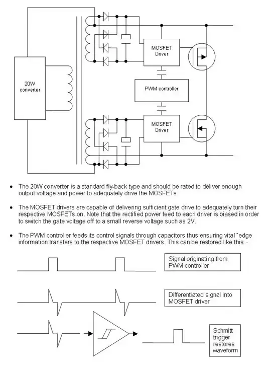
6

I need to use a MOSFET driver in my circuit. I have read some MOSFET driver datasheets. As far as I have seen, always an N-MOSFET is used at the high side.

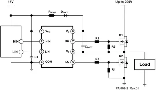
For example, consider FAN7842.

Typical application circuit from its datasheet:
enter image description here

And its functional block diagram is:
enter image description here

I have two questions:
1) Is it possible to use a P-MOSFET in the place of Q1 by modifying this circuit as little as possible?
2) Does using a P-MOSFET at the high side give any advantage (e.g.; lower voltage drop on Q1, better performance at lower switching voltages (switching DC voltage will vary between 0-200V in my application), etc)?

I considered inverting the "HIN" signal by a BJT and simply replacing Q1 by a P-MOSFET, but that way the \$V_{GS}\$ of Q1 will be very high at extreme cases which will destroy the MOSFET.

hkBattousai
  • 14,073
  • 33
  • 114
  • 197
  • In part, the answer depends on the voltages, current, frequency at which you'll run your bridge (or half-bridge). What's will be your H-bridge voltage and current? What will be the supply current for the gate driver? What will be the switching frequency? (By the way, here's a related thread: http://electronics.stackexchange.com/questions/58849/bootstrap-circuit-function . Not a duplicate, though.) – Nick Alexeev Sep 23 '13 at 21:44
  • @NickAlexeev Wow, thank you. I was wondering what that boot strap thing was for. The answer in you link saved me out of my worries; further more it is for the same IC. – hkBattousai Sep 24 '13 at 06:07

2 Answers2

3

There definitely are PN half bridge drivers, and a pmos for the high side is fine nowadays for not very high power applications, but you need to get the correct driver for it (some have the PN fets integrated, like the FAN7093).

It used to be that they had much lower performance than their counterpart n-type mosfets, so the drivers were made to use n-type for the high and low sides. N-type still have better performance because of their nature of using electrons instead of holes for conduction (electrons have higher mobility), but not as severely as before. On the other hand, P-type mosfets don't need a charge pump.

Take a look at this application note from Vishay: P-Channel MOSFETs, the Best Choice for High-Side Switching

An EE-Times article also talks about this: A primer on high-side FET load switches

apalopohapa
  • 8,459
  • 2
  • 30
  • 39
1

N channel FETs used "top-side" can be quite tricky to control because maintaining the gate voltage at (say) 10V above source to switch the FET on means the gate has to cope with the source flying up to the positive rail as it activates. The gate circuit therefore needs a power supply that is several volts above the main power rail.

Same problem when turning the gate off - you drop the gate to the source potential and then the source potential drops another x volts due to the FET switching off - you have to keep dropping the gate voltage and I can imagine that if this isn't done correctly the FET will burn.

My preference is to use P channel FETs topside. I schemed up a high power push-pull output based on this. t some point in the near future I hope to get it working: -

enter image description here

Andy aka
  • 456,226
  • 28
  • 367
  • 807