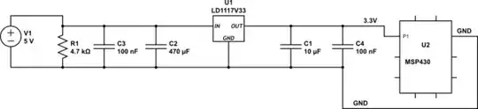
I have this basic circuit with an MSP430 (The outputs go to LEDs)
I have noticed a strange (to me, not saying much though) circumstance. In this circuit, I always have to wait around 20 seconds or manually short out the capacitor (when it's off) to get it to turn back on.
First plug in :: Everything works great!
Unplug it then plug it right back in:: Nothing!
Unplug it and short out capacitors, plug it back in:: Everything works great!
I have added a 4700ohm resistor (R1) in an effort to have a load constantly on the capacitor after power off.
With this resistor (chosen only in that it's only 5mW on a 250mW resistor) the circuit appears to work as expected.
To my very limited understanding however, I would think that the MSP430 would be enough to drain the capacitor. I am very unfamiliar with brownout protection, but is this functionality preventing the micro from draining the capacitor?
Note that all capacitor sizes were chosen arbitrarily except for C1 which is called for in the data sheet of the voltage regulator.
Max draw from the micro is about 22 mA (the LEDs are driven by transistors)
I am unsure if datasheets are required for the regulator and micro
I am highly inexperienced but very interested in these things. My goal is to learn and I thank you for your help

simulate this circuit – Schematic created using CircuitLab
10uFcap? – helloworld922 Jul 29 '13 at 01:3310uFinstead of C2=470uF. Theoretically the LM1117's quiescent current (along with the MCU's current draw) should deplete it fast enough, so probably not a big concern. – helloworld922 Jul 29 '13 at 03:11