I am not sure if circuit reviews are allowed on this forum, but if not, just tell me.
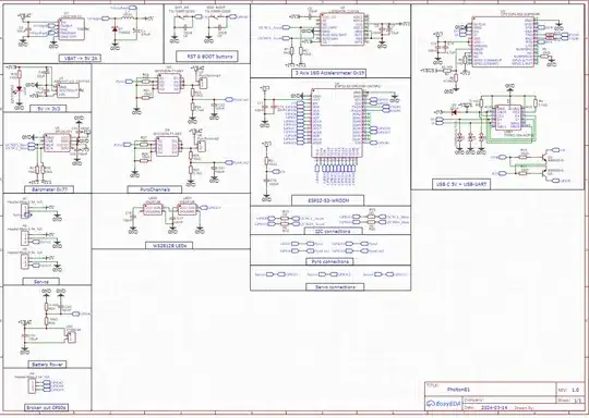
For the last few weeks I have been working on a model rocket flight controller which is supposed to calculate the altitude and acceleration with a barometer and accelerometer.
The MCU is an ESP32-S3-WROOM, which I have experience with. I also added the ability to fire pyro charges via two pyro channels, and to control three servos. All of this is powered with a 2S (7.4 - 8.4 V) Li-po battery, which can easily handle 25 A.
My biggest concerns are the USB-C interface, and the power management (voltage regulators, etc.), as these are the regions I have least experience with.
For now I only have a schematic, but I already started with routing all my parts. As I am still a newbie, and wouldn't like wasting money on many different PCB prototypes. I would be grateful if someone could look over this whole schematic (or certain sections they are experienced in), and point out any errors/mistakes I made. Feedback/suggestions about the "aesthetic" of my schematic is welcome. This is the schematic:
(I have just noticed, that I forgot to change the names of my servo pins, I will change that tomorrow)
