4

I don't understand why R1 and R2 are in parallel.

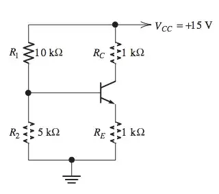
I need to find the Thévenin resistance of the circuit, and my textbook says that R1 and R2 are in parallel, but I don't understand why.

enter image description here

I really struggle with identifying when resistors are in parallel, and a useful technique I created for myself was by colouring the wires connected to each end. Here's an example:

Since both ends of the resistors have the same coloured connections, I can see they are clearly in parallel configuration:

enter image description here

But when I do this for the BJT circuit above, I get the following, which makes it seems like they are not in parallel:

enter image description here

Is it because VCC is connected to the same ground node below, so when it is shorted for Thévenin resistance, it forms the following?

enter image description here

ocrdu
  • 9,195
  • 22
  • 32
  • 42
1899DVX
  • 43
  • 3
  • 1
    VCC is GND, when you're computing signal impedances. – Neil_UK Mar 23 '24 at 08:08
  • https://electronics.stackexchange.com/questions/471906/calculation-of-base-current-and-what-decides-the-current-through-collector-emitt/471923#471923 – G36 Mar 23 '24 at 09:06
  • Imagine the ideal voltage source as a 0-ohm magic wire but it also creates a voltage difference across it. It's how the Thevenin theorem works. – 比尔盖子 Mar 24 '24 at 14:55

3 Answers3

7

Thevenin's theorem applies as follows:

enter image description here

Franc
  • 1,126
  • 1
  • 9
  • 3
    [Addition to the spot-on figures of this answer]. For a DC analysis purpose, including bias circuit analysis, the question's resistors are not in parallel. They are in series connection. The coloring method in the question works. The reason to consider the resistors in parallel is for computing the resistance Rth in the equivalent Thevenin generator (right drawing). For this we mentally replace the +15V generator by a wire (3rd drawing), and the two resistors become in parallel. The coloring method in the question still works, but now there is one less color. – fgrieu Mar 23 '24 at 10:06
6

Let me provide a different way of looking at it. It may be simpler to see your question with regard to \$R_1\$ and \$R_2\$ using math.

Let's keep the BJT base current in place and assume that it is some unknown value called \$i_{_\text{B}}\$. Let's consider the inward injection of a very tiny current called \$i_{_\text{0}}\$. The KCL for your blue node, call it \$v_{_\text{X}}\$, is then:

$$\frac{v_{_\text{X}}}{R_1}+\frac{v_{_\text{X}}}{R_2}+i_{_\text{B}}=\frac{v_{_\text{CC}}}{R_1}+\frac{0\:\text{V}}{R_2}+i_{_\text{0}}$$

or, solving for \$v_{_\text{X}}\$:

$$v_{_\text{X}}=\underbrace{v_{_\text{CC}}\cdot \frac{R_{2}}{R_{1} + R_{2}}}_{\text{quiescent DC voltage}}+i_{_\text{0}}\cdot\underbrace{\frac{R_{1} R_{2}}{R_{1} + R_{2}}}_{\text{what }i_{_\text{0}}\text{ sees}} - i_{_\text{B}}\cdot\underbrace{\frac{ R_{1} R_{2}}{R_{1} + R_{2}}}_{\text{what }i_{_\text{B}}\text{ sees}}$$

There are three terms there. The first term is just the usual voltage divider result. The second and third terms are how the injected and base currents affect the result. These last two currents each see what appears to be the standard parallel resistor equation.

(You can also disconnect the base current -- set it to zero -- and this simpler equation still shows the parallel combination of \$R_1\$ and \$R_2\$ applied to \$i_{_0}\$.)

Another viewpoint that is often suggested is that the impedance of a voltage supply is zero. So \$v_{_\text{CC}}\$ connects to ground with zero impedance. And therefore looks like a wire. You could imagine that \$v_{_\text{CC}}=0\:\text{V}\$ and then you would know that it is a wire. But if \$v_{_\text{CC}}\$ is any other fixed value, that makes no difference to this viewpoint. It's all the same. The voltage supply looks like a wire.

But the equation makes this equally clear in a different way.

periblepsis
  • 8,575
  • 1
  • 4
  • 18
2

The answer to your question depends on the node which is used to "look" into the circuit.

1.) When you look into the circuit from the upper node (Vcc) you see a resistor which equals a series combination R=(R1 + R2||rin).

2.) However, when looking from the left into the node between both resistors (R1, R2) the equivalent resistor is the parallel combination R=R1||R2||rin .

3.) When looking from the right (from the base) into the same node you see only the parallel combination R1||R2.

(This is because the voltage source Vcc must be considered as signal ground)

LvW
  • 26,610
  • 3
  • 23
  • 56