I am currently designing a circuit that includes a solid state relay, the CPC1125 . I chose it because it is one of the faster normally closed solid state relays I found. I want it to be optical because I want to isolate the two parts of the circuits which are linked by the relay. The problem is that all the relays I found are slow, switching times are on the order of a few 100 us, which is weird to me because they use transistors and optical elements which should all be faster than that (?). I think I am missing some key word to find the right alternative, is there any?
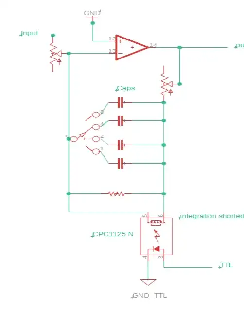
For completeness, here is a schematic of the circuit. the relay is used to short the integrating part of an integrator circuit.
The LED and the op-amp are different grounds.

