The following is a snippet from the book Design of Analog CMOS Integrated Circuits
Here is what I thought.
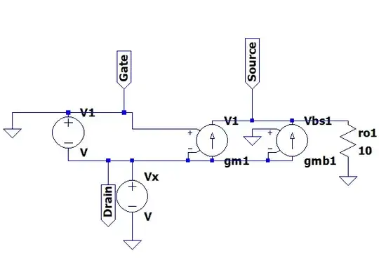
$$V_1 = 0-V_x $$
$$V_{bs1} = 0 - V_{s1}$$
$$V_{s1} = I_x r_{o1}$$
According to KCL.
$$ g_{m1} V_1 + g_{mb1} V_{bs1} = I_x $$
We can use those equation we got earlier to replace \$V_{1}, V_{bs1}\$.
Finally we can derive the equation.
$$R_{eq} = \frac{V_x} {I_x} = - \frac{1 + g_{mb1} r_{o1}} {g_{m1}}$$.
However, the book gave the following.
$$R_{eq} = r_{o1} \parallel \frac{1}{g_{mb1}} \parallel \frac{1}{g_{m1}}$$




