There is no google-able technical info for this switch, but if you read the customer reviews on the RadioShack site, you can find a few clues.
(Firstly, it's worth to pay attention to the negative reviews about how the switch has weak plastic housing, plastic threads, and wears easily. One reviewer advises against automotive or marine use.)
User "Ridgeline" from Washington, DC wrote this:
I needed to find a switch for the amplifier in my car, so i could turn it off and on when i want, this worked perfectly, only thing it had no instructions and i haven't wired anything in 5 years. But i got some help from some friends, "POWER" goes to power (duh), "ACC" goes to whatever it is you trying to turn on with the switch, "GROUND" goes to ground (i just tied it to a bolt on the car)
The issue doesn't appear to be that the switch needs a resistor in series with the LED. User "TJ N" from New Jersey writes the following, without any mention of a resistor:
The LED appears to be a true 12V LED, and I have taken it up to 18V without it burning out.
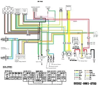
The wiring concept looks okay, except for the small problem that you're combining the ignition circuit with the accessory circuit. They have separate supplies (Bat1 and Bat3; red, and pink with grey stripe) with separate 15A fuses, but you've turned them into one big 30A circuit.
Be that as it may, the problem here, I suspect, is this:
When I got the ATV it was missing the ignition switch
The switch isn't there, because someone removed it. That someone possibly removed it while trying to solve an electrical problem, which they were not able to solve, and which you've now made your problem. Maybe grounding the ground terminal of the switch just tickles the problem, or maybe it is just a coincidence. If you only repeated the trial once and blew one set of fuses, that doesn't prove anything. The problem must be reproduced to confirm the hypothesis, otherwise you could waste a lot of time on a distracting, false hypothesis.
As it is, I'm afraid that this question is "too localized".