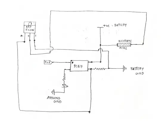
I want to make a nichrome wire red-hot on command. I planned to use an Arduino along with it. The basic idea was to use an optocoupler to isolate the nichrome wire section from the microcontroller side.
The Circuit I have tried is given below:
It seems like the circuit is not working. When I replace the load with an LED works as intended. When I give a pulse on the Arduino pin, the LED as the load is also glowing. With nichrome, it's not happening.
What am I missing here. How can I make such a system work together?
The battery in use is one 3.3V lipo battery for the nichrome wire. When I connect the battery directly to the nichrome wire, it gets red-hot.
I used a 10k resistor from PC817 to battery and 320 ohm from PC817 to the LED.
