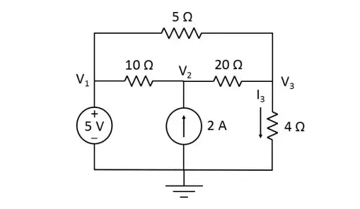
Hello, I'm studying Electrical Engineering, but I'm confused about nodal analysis. How to find all nodal voltages and the current through the 4 Ω resistore?Please someone help me to understand this question.
Asked
Active
Viewed 58 times
1
-
There are several questions about nodal anaysis on Stack Exchange. that will show you the method. Show us your work and tell us in your question where you are stuck. – RussellH Jun 03 '23 at 15:45
1 Answers
1
Here's a hint: -
If you still can't solve it then I think you need to read your text books on source transformation and Thevenin's theorem. But, if you do manage to solve this and, you want to check you have the right answers, use a simulator: -
Andy aka
- 456,226
- 28
- 367
- 807
-
Thank you for your answer! I try to solve this question by using hint that you gave. Can you verify? First equation: V2-V1/10 + V2-V3/20 = 2 Second equation: V3-V2/20 + V3-V1/5 + V3-0/4 =0. Solve this system I got V2=17.9V, V3=3.8V and V1=5V am i wrong? – Paul C Jun 03 '23 at 16:13
-
@PaulC That looks correct <-- I added a simulation into my answer so I could check. If we are done here, please take note of this: What should I do when someone answers my question. If you are still confused about something then leave a comment to request further clarification. – Andy aka Jun 03 '23 at 16:20
-


