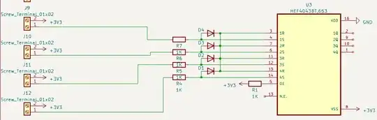
Ok, so I'm relatively new to electrical engineering having worked on the software side of life in the past. I'm trying to work a simple SR Latch where only one output is enabled at once. To do this, I've tried resetting the whole latch with each button press (connected to the screw terminals in my diagram).
Unfortunately I've come across the issue of triggering the set lines at the same time. I've fixed this with diodes but now have the problem where I'm triggering both the reset line and the set line at the same time on whichever button I press. This obviously causes invalid states and completely unpredictable behaviour.
How can I reset the whole SR Latch whilst still being able to set one output high after? I thought about using capacitors on each set line but I'm thinking I'm probably missing something obvious with logic gates here.
