1

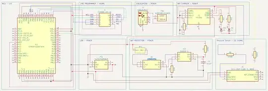
I followed some sources and came up with a battery charge circuit. The way it's wired "should" also give reverse polarity protection to the circuit. Could someone help me understand if I have designed this circuit correctly?

  • How is the current getting taken out of the circuit when polarity is reversed? I see that "DW01A-G" & "UMW8205A" are on the negative line, so if the battery is put in upside down the current would travel through the negative side of the circuit. Which portion of the circuit is absorbing the reversed current, so it's "protected"?

  • I read that charging a battery while its giving power can start a fire. Does the TP4056 the way I have it in my circuit remove power from the circuit when charging the battery? Does this not need to happen, because of the OC & OD protection? https://www.best-microcontroller-projects.com/tp4056.html#TP4056_Current_Programming_Resistor

enter image description here

GildedWasp
  • 35
  • 4

1 Answers1

0

The first question might be why would you even need reverse polarity protection. The USB connector surely won't give incorrect polarity, and no one else but you is responsible for connecting the battery in correct polarity to your own circuit. So there should be be no need for reverse polarity protection.

Dw01 does not handle if you accidentally connect the battery in reverse. It's not meant to handle that.

And no, if you have load on battery, you have load on battery even when it is charging. There is nothing to disconnect load from battery when it is charging. So that's bad. TP4056 does not know if there is just a battery or extra load too while charging.

Justme
  • 147,557
  • 4
  • 113
  • 291
  • Yeah, I came to that conclusion a couple days ago talking to my dad about all of it. After explaining it all out I realized my rechargeable battery is embedded into my circuit and forgot it wasn't going to be a 9v battery that's plugged in by a "consumer" anymore. I appreciate that reality check though.

    I thought UMW8205A was being used to reverse polarity protect my battery. However, I don't need this anymore and I will just replace it with a fuse in case the battery is wired in backwards and creates beautiful smoke.

    Does the DW01 not remove the load when charging?

    – GildedWasp Apr 17 '23 at 18:32
  • @GildedWasp How could it do that? The battery has to charge and discharge via protection, so look at your design, there is no way the battery to charge and have load disconnected. – Justme Apr 17 '23 at 18:38
  • @GildedWasp - Re your comment: "I thought UMW8205A was being used to reverse polarity protect my battery. However, I don't need this anymore and I will just replace it with a fuse" The 8205 (or equivalent) is required when a DW01 (or equivalent) is used for LiIon battery protection against over-charge & over-discharge. Replacing the 8205 (or 8205 + DW01 pair) with a fuse is not equivalent functionality. Although 8205 + DW01 doesn't protect against everything (especially since most TP4056 implementations don't include the thermistor monitoring battery temperature) they do more than a fuse. – SamGibson Apr 17 '23 at 18:52
  • But if you guarantee that your battery pack/cell already has similar protection onboard, you don't need separate protection in your design. But it may be best to leave protection so any battery, protected or unprotected, can be used. – Justme Apr 17 '23 at 19:14