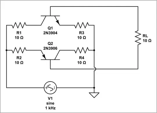
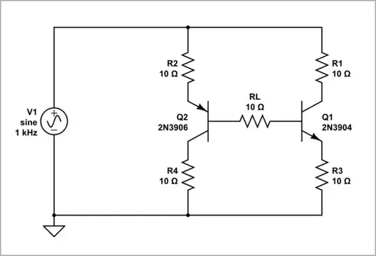
That would be something like this...

This is kind of a one-line proof, or proof by diagram; if you understand BJT operation.
tl;dr
It's not useful. Using common transistors, the transistor effect (collector current in response to base current) effectively shorts it out; for every mA of DC load current, ~200mA is sunk across the AC source. The voltage limit is also quite low (VEBO, about 7V), as is the current limit (base current is typically a fraction of collector current).
In Detail
when the B-E junction is forward biased and B-C is reverse, current "bleeds through" from E to C, crossing the base layer without being discharged through the pin. A BJT is not simply two diodes glued together, but magic happens when they are glued together very very closely (but not actually glued together; indeed the base layer needs to be of the same crystal).
I myself remember wondering why, ever so many years ago, I couldn't simply slap two diodes together and make a transistor. Well, in a sense, it does, it's just that the hFE is pretty damned close to zero. We have the inverse problem here, that hFE is too high to make practical diode pairs with BJTs.
For typical BJTs with hFE ~ 100, indeed the collector current utterly dominates, and the AC source is simply shorted out (when its voltage is above two diode drops, anyway, and load current is being drawn).
Can we make it work at all?
There are cases in integrated circuits, where the hFE might be made quite small (but not zero); in that case, it could work as a normal bridge rectifier without much trouble. Maybe that could be worth tolerating the "leakage" (read: collector current), for, I don't know, signal rectification or something? But that's a very specialized field, IC design I mean, and this is very much reaching for any kind of application to explain this circuit. And anyway, I don't think there's any case where just single diodes wouldn't be easier (or diode-strapped BJTs, as the case may be).
Component limitations apply, of course; base current limits are typically low (a modest fraction of the collector current rating), and E-B voltage limit is rarely more than 7V and I don't think I've ever seen one over 30V*. Fusing ratings are absent (likely limited by base current), so they would not be very robust as power rectifiers, even without the hFE problem.
*There are SiC BJTs (they call them SJTs for some reason..) available nowadays, with ratings up to 25 or 30V. Antique germanium BJTs were typically of these ratings as well (and often symmetrical, so VEBO = VCBO), though higher voltage parts were available, that I just haven't seen.
Not to beat the proverbial dead horse, mind -- it's fun to entertain ideas like this, and see exactly how and why they fail to do something, and in exactly which ways. While this idea happens to have several, very solid reasons striking it down, it does sometimes happen that a strange little circuit idea, while mostly useless, has just a couple narrow cases where it can be applied, indeed perhaps to great advantage!