3

From this video, Pace MBT 250 rework station with a Gordak handpiece and Arduino by Fodor Tibor, @ 17:27, this "close up" photo is shown of the board:

Top side of PCB

Note the seven blue metal film resistors that go between the digital output pins to the gates of the seven n-channel logic level FETs (I don't know exactly what model of FETs they are).

I may very well be mistaken, but the colour bands look like: red; red; black; brown, and; silver - thereby implying 2.2 kΩ resistors.

However, isn't this a rather high value for a gate resistor, given that ~150 Ω is a more usual figure?

Additional info

A 150 Ω gate resistor is shown in this diagram from Driving motors, lights, etc. from an Arduino output pin)

Schematic of Arduino digital output to FET gate

Admittedly, the gate doesn't need to switch particularly quickly, maybe 5 Hz at an absolute maximum (probably 0.1 to 1 Hz typically), so a low value of resistor isn't strictly necessary... but even so, a difference of an order of magnitude in the value of the gate resistor seems a bit extreme.

On the underside of the board, from the output pins of the Nano, there are also a set of seven 10 kΩ resistors to ground:

Underside of PCB


FWIW: This board converts from a K-type thermocouple to a "PTC equivalent" resistance, using a resistive ladder, where the resistors are switched by the Arduino.

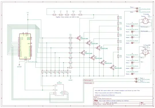
Here is the full schematic that I came up with:

Schematic

Finally, for complete disclosure, I have also made some notes/analysis about this board online, Gordak soldering iron on a Pace MBT 2xx. The details given in the video about the circuit are rather sparse.

Greenonline
  • 2,109
  • 9
  • 26
  • 40

2 Answers2

6

The gate resistor R1 is principally to limit the transient current drawn from/into the mcu pin into the gate capacitance when the pin goes high/low. For a 5V mcu, a 150R resistor limits the maximum current to 33mA which is quite close to the maximum recommended for several mcus, and is rather more than you would want to draw from something like a RP Pico (although that's a 3.3V mcu, so the current would only be 22mA).

Having a low resistance allows the mosfet to switch more rapidly. With a Vgs=5V, an IRL530 has a maximum total gate charge of 28nC to charge or discharge on transitions, meaning it will take almost 1μs to switch on or off with a current around 30mA. An IRL540 with a maximum total gate charge of 64nC would take over twice as long.

Similarly, a 2K2 resistor will limit the current into/out of the mcu pin to about 2.3mA, which would not be a problem for any of the common mcus. However, an IRL530 could take up to 12μs - and an IRL540 up to 28μs - to complete each transition.

Switching mosfets dissipate almost nothing when fully on or fully off, but can dissipate significant power during the switching transition. For low speed switching such as your 5Hz application, even with a worst-case switching time of 30μs, it would represent a duty cycle for the pulses of high power dissipation of only 30μs/100ms = 0.03%, so you can see that the size of the gate resistor is really not crucial to an order of magnitude or more. If you had a application switching in the tens of kHz, it would be a different story.

Rexx
  • 126
  • 2
  • Thanks for the detailed explanation, and for mentioning the duty cycle. I was aware that the higher resistance would slow the switch time, thereby increasing the current draw (and heat), which is why I couldn't understand why a larger resistance was used. But now that you take duty-cycle into consideration, it makes much more sense... the high resistance is used (primarily) reduce the strain on the Nano. – Greenonline Mar 25 '23 at 05:51
2

isn't this a rather high value for a gate resistor

Not necessarily. If they operate at low speed (e.g., turning on a lamp), then that resistor value would work.

Davide Andrea
  • 21,104
  • 6
  • 34
  • 73