4

I want to design a custom mounting plate for the following two plugs:

  1. https://uk.rs-online.com/web/p/coaxial-adapters/2478739
  2. https://uk.rs-online.com/web/p/coaxial-connectors/8859960

Now I want to design the holes for these plugs. The cross-section of the plugs seems to be round in shape, however, the recommended mounting hole (in the datasheet) for them is a truncated circle.

Why is it recommended in such a counter-intuitive way? Wouldn’t a circle shape be simpler to design?

JRE
  • 71,321
  • 10
  • 107
  • 188
  • If you have an array of bulkhead connectors make sure there is enough finger room to get the cable out. I've seen sites where all the cables are damaged as the users pull the cable and not the body of the connector. – D Duck Mar 22 '23 at 09:32

6 Answers6

8

I think the connectors also have a slot cut out of the part that would go in the hole. This is done to make them asymmetrical. If they were completely symmetrical they would be able to rotate in the hole. With the slot, they cannot rotate.

You can use a circular hole but then you are relying on the screw/nut being tight enough to prevent the whole connector from rotating when you are trying to screw on a cable. Based on nothing, a circular hole will probably be okay for a one-off project of mediocre quality if you don't plug/unplug cables very often. Otherwise it'll be annoying to hold the connector in place.

user253751
  • 12,469
  • 2
  • 22
  • 37
  • 1
    If the hole is CNC cut then it’s trivial to have a flat, and makes assembly easier. It also minimises the chance of wiggling the connector loose after many connect/disconnect cycles. For a one-off a round hole is ok but you’ll need to improvise a way to stop the connector rotating while you tighten it. – Frog Mar 21 '23 at 05:06
  • yes, I agree it has something to do to prevent the plug from rotating. but I dont see any clue of this sturcture in their picture.... I have not seen this kind of plug before, so it's very difficult to decide the shape for the hole... – Physics Student Mar 21 '23 at 05:16
  • 1
    @PhysicsStudent With at least the second picture you can clearly see that the cross section is not round. Look at the screw thread on the right side. – Sneftel Mar 21 '23 at 13:45
  • The D-shaped hole will assuredly prevent unintended rotation but the internal-tooth star washer on the SMA connector should be sufficient to hold the body of the connector in place for occasional use when mounted in a round hole. The MCX jack is even less susceptible to rotation since there is no rotational force required to mate the connectors. Neither of the datasheets give recommended mounting torques (you are using a torque driver on the SMA connectors, right?), but similar adapters give 5 in-lbs for the mounting nut. The manufacturer should be able to give you specific values. – vir Mar 21 '23 at 16:53
  • @Frog for a one-off, it's a chance to practice with needle files (the flat doesn't have to be perfect, just enough to prevent rotation). – Chris H Mar 21 '23 at 16:59
  • @PhysicsStudent lucky for you, then, that the datasheet tells you the shape for the hole – user253751 Mar 21 '23 at 17:38
4

enter image description here enter image description here

The part is most likely manufactured in an automatic machine using circular stock. The machine has to cut a thread on the barrel so whatever the keying arrangement is - a flat or a slot - has to go below the inside diameter of the thread. That means that the hole needs a corresponding flat or bump to engage the feature on the plug to prevent rotation.

Commercial panel fabrication (the connector's main market) will use laser or a dedicated sheet metal punch to make the hole so it's not an issue for them.

Transistor
  • 175,532
  • 13
  • 190
  • 404
  • Also (in prototyping and short runs, or if the panel is being machine anyway) the hole might be milled to shape if the right punch isn't available – Chris H Mar 22 '23 at 10:34
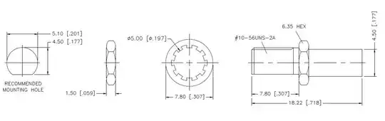
4

Here's the part drawing of the first coaxial adapter, (Part No. 252171), that shows the flat.

enter image description here

The flat and the recommended mounting hole prevent rotation during tightening.

vu2nan
  • 18,175
  • 1
  • 16
  • 47
2

Manufacturer pages often have better information than the distributor listings. In this case, both manufacturers have a a 3D model that you can spin to see the flat.

And as mentioned by other answers, the purpose of the flat is to prevent the connector from spinning in its hole when a cable is being connected.

Cinch 142-0901-401:

enter image description here

AmphenolRF 252171:

enter image description here

jpa
  • 8,442
  • 19
  • 40
1

You can also get flange mounting adaptors, which have flange with 2 or 4 additional holes as shown below. These take more panel room, but won't spin out like the D-shaped mounting hole parts.

enter image description here

JRE
  • 71,321
  • 10
  • 107
  • 188
rfdave
  • 1,866
  • 10
  • 7
1

Wouldn’t a circle shape be simpler to design?

If your benchmark is the number of geometric primitives? Sure. But when the difference is between 1 primitive or 2, and you don't scale them to millions in number on the same design, then it doesn't matter whatsoever. Yeah, the circle is "simpler". So what?

Drawing and dimensioning a circular hole takes say 30 seconds. A D-shaped hole may take what, twice that?

And even if this was AutoCAD in the 80s on an XT-class 8086 machine: it would not take much longer. Been there, done that :)

If you want to make it totally painless, add the shape to your favorite CAD's feature library, so you can just "stamp it" anywhere you want quickly.

With mainstream feature-based 3D CAD, to get the shape from scratch you create a sketch, draw an arc, connect the ends with a line, add a couple of constraints and dimensions, extrude the D-shaped face from the the sketch in subtract mode, done. Or the hole feature may already have that shape baked-in. Depends on what platform you're on.