Get rid of the input supply and don't bus wires:

simulate this circuit – Schematic created using CircuitLab
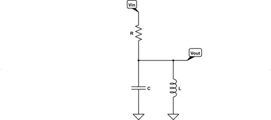
Without over-thinking things too much yet, the above may be a little easier to notice as a simple voltage divider: \$V_{_\text{OUT}}\$ is just a divided-down part of \$V_{_\text{IN}}\$. So \$V_{_\text{OUT}}=V_{_\text{IN}}\cdot\frac{Z_{_\text{C}}\mid\mid Z_{_\text{L}}}{R+\left(Z_{_\text{C}}\mid\mid Z_{_\text{L}}\right)}\$.
Or put another way, \$\frac{V_{_\text{OUT}}}{V_{_\text{IN}}}=\frac{Z_{_\text{C}}\mid\mid Z_{_\text{L}}}{R+\left(Z_{_\text{C}}\mid\mid Z_{_\text{L}}\right)}\$. That right side is the so-called transfer function.
Plugging in \$Z_{_\text{C}}=\frac1{s\,C}\$ and \$Z_{_\text{L}}=s\cdot L\$ you might get this: \$\frac{V_{_\text{OUT}}}{V_{_\text{IN}}}=\frac{L\,s}{R\,C\,L\,s^2+L\,s+R}\$. You don't need the numerator to work out the damping factor. All you need are the coefficients in the denominator, \$a_2\,s^2+a_1\,s+a_0\$, as \$\zeta=\frac12\frac{a_1}{\sqrt{a_2\cdot a_0}}=\frac12\frac{L}{\sqrt{\left(L\,C\,R\right)\cdot R}}=\frac1{2\,R}\sqrt{\frac{L}{C}}\$.
(If you need or want an explanation about how to derive \$\zeta\$, ask.)
Some help
It appears you may want some help about arriving at a transfer function (not in any of the 3 standardized forms I usually consider, but still algebraically correct):
$$\begin{align*}
\frac{V_{_\text{OUT}}}{V_{_\text{IN}}}&=\frac{Z_{_\text{C}}\mid\mid Z_{_\text{L}}}{R+\left(Z_{_\text{C}}\mid\mid Z_{_\text{L}}\right)}=
\frac{\frac1{s\,C}\mid\mid s\,L}{R+\left(\frac1{s\,C}\mid\mid s\,L\right)}=
\frac{\frac{\frac1{s\,C}\,\cdot \,s\,L}{\frac1{s\,C}+ s\,L}}{R+\frac{\frac1{s\,C}\,\cdot \,s\,L}{\frac1{s\,C}+ s\,L}}
\\\\
&\cdot\frac{\frac{s\,C}{s\,C}}{\frac{s\,C}{s\,C}}=\frac{\frac{L\,s}{L\,C\,s^2+1}}{R+\frac{s\,L}{L\,C\,s^2+1}}
\\\\
&\cdot \frac{L\,C\,s^2+1}{L\,C\,s^2+1}=\frac{L\,s}{R\,C\,L\,s^2+L\,s+R}
\end{align*}$$
The above is still considered to be kind of ugly. It doesn't isolate the things people want to know: \$\omega_{_0}\$ and \$\zeta\$ or \$Q\$, for example. Nor the gain, \$K\$ (or \$A\$ or a lot of other letters as there is less of a standard here.)
For Later
Not for now, but some later time when you can consider these things more deeply, it may be helpful if you learn to abstract away from the details and just stand back to see a larger picture. Another way of writing a transfer function is: \$\left[\text{output operator}\right]V_{_\text{OUT}}=\left[\text{input operator}\right]V_{_\text{IN}}\$. Read this as, "Some output operator acting on Vout must always equal some input operator acting on Vin." The transfer function is then just the ratio of these two operators.
For voltage dividers like the above, the operators are just conductance operators and the equation is just a matter of basic KCL:
$$\left[\text{operator for conductance out of Vout}\right]V_{_\text{OUT}}=\left[\text{operator for conductance in from Vin}\right]V_{_\text{IN}}$$
If you replace impedance, \$Z_i\$, with admittance \$Y_i\$, then in your schematic case:
$$\left[Y_{_\text{R}}+Y_{_\text{C}}+Y_{_\text{L}}\right]V_{_\text{OUT}}=\left[Y_{_\text{R}}\right]V_{_\text{IN}}$$
Which here just says that current in equals current out. Basic KCL.
Later, this larger view will come in handy. For now, don't worry about it. Operators are for later on. Just get ready for the idea.