Is it necessary to implement "dead time" (anti-shoot through) for MOSFETs? F=50kHz
-
4A very warm welcome to the site. Your question contains two circuits and was answered as such by @DavidMolony, who referred to both circuits. You subsequently deleted the second circuit and his answer, making his answer ambiguous. So I have rolled back your question to show both circuits again. You can edit the question text to ask specifically about one circuit but please be careful that edits don't render useless the work put into answers. Thanks. – TonyM Dec 04 '22 at 16:03
-
The question comes down to do you understand the purpose of dead time. Especially with reference to the second circuit. Replace the MOSFETs with switches. – StainlessSteelRat Dec 05 '22 at 02:54
-
1arduplay - Hi, You have been copying answers into your question. That is not how Stack Exchange works, so your edit has been reversed ("rolled back"). Leave your question as a question. Instead, if your question has been answered, please follow this advice from the [help] and consider áccepting the best answer for you, from those given (i.e. click the "tick mark" (check mark) next to your chosen answer.) Thanks. (Please also read the [tour] & [help] to see the main site rules.) – SamGibson Dec 05 '22 at 18:51
4 Answers
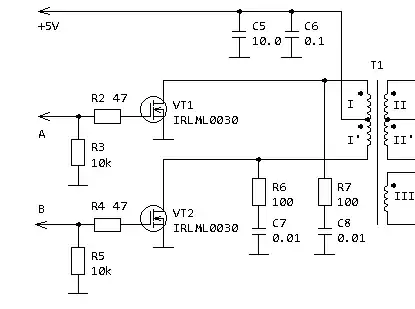
In the bottom circuit, dead time is absolutely essential. Without it, you will have small pulses of extremely high current being short circuited through the FETs, and it may well result in rapid destruction of your device.
In the top one, it's a bit harder to say. Technically, if you turn both on, they produce a counteracting field in the transformer and there is therfore no inductance, only resistance opposing the flow of current. In reality, the coils will not be perfectly matched, and there is leakage inductance so the current will build up more slowly than the second case. It is a much less bad case of shoot through, but still not nice.
The frequency is not really important to the question, you require dead time regardless. It will typically be the case that you need about 3x the RC time constant of the MOSFET gate capacitance and the total drive resistance.
- 1,179
- 8
- 14
-
Both circuits are related by a transformation: there will always be stray inductance in a half-bridge, which is equivalent to leakage in the transformer (plus strays still). (Though post-edit, I guess this doesn't matter? Ed: or post-post-edit, nevermind?) – Tim Williams Dec 04 '22 at 15:56
-
The first diagram is my circuit, the second was just to exemplify the problem. So I need dead time, I'm a beginner in electronics and I want to use a 555 to generate a pwm signal, together with an inverting transistor to control the mosfets in the first diagram. It's just that by doing this, I don't have the possibility to insert a "dead time" – arduplay Dec 04 '22 at 16:22
-
@arduplay You probably won't be able to do it with just a 555 and an inverting transistor, but the answers below (particularly mine) show that it is simple to do with the minimum amount of additional circuitry. One IC gate package and a couple of resistors and small capacitors will do it. – Peter Jennings Dec 05 '22 at 00:36
-
@arduplay, please edit this new information into your question, don't put it in comments. Otherwise, readers would have to piece together the actual full question by looking for these scattered fragments. – TonyM Dec 05 '22 at 09:40
-
2@arduplay, you can insert dead time using diode and resistor in parallel and a capacitor, thus making it turn off faster than it turns on (edit like in Tim's answer below). You would be far better off using a microcontroller though. STM32 of any level can do dead time and complimentary PWM. No point learning about 555 timers, they are completely obsolete, though occasionally people find clever and dubious ways to use them. – David Molony Dec 05 '22 at 15:07
-
1@TimWilliams the stray inductance in a well laid out half bridge is often sub nanohenry. I have made power stages with about 0.5nH parasitic inductance for several hundred amps. The current rise can be 1000A/us +. The stray inductance in a transformer coil is several orders of magnitude above that. – David Molony Dec 05 '22 at 15:09
-
@DavidMolony Right, it can be quite low in a half bridge; but it is ever present, and I just wanted to highlight the equivalence. – Tim Williams Dec 05 '22 at 19:08
-
@arduplay If it's acceptable, you could purposefully add a small inductor (like 1uH) in series with one (or both) of the MOSFET drains. This would reduce the peaks of any shoot-through related spikes. – user4574 Dec 05 '22 at 20:01
-
Do NOT add small inductors in series with the MOS drains, this produces what is known as unclamped inductive switching load, it will hammer your snubbers and mosfets. All energy stored in those inductors in normal use has to be absorbed by the snubbers and MOSFETs. – David Molony Dec 05 '22 at 22:01
Now, for basic purposes, almost definitely yes. Don't worry about it. Leave a few hundred ns dead time and it's probably fine. This can be generated by many MCUs' timers, if you're going for digital control, or say from a common logic drive signal by delaying the rising edge with a timer network (series resistor, shunt capacitor and diode), then sharpening it with a schmitt trigger (usually also a gate driver; a 74HC family gate will be sufficient drive for transistors of this size, at 5V supply).

simulate this circuit – Schematic created using CircuitLab
Devil's advocate: no. But maybe. It depends.
There are edge cases where you might not.
The most common case, I think, is where delaying turn-on would cause unwanted forward-bias of the body diode or whatever. This occurs when the load is inductive (as in most switching converters), and when synchronous rectification is being used (hence the MOSFET at all). Which appears to be applicable in the second circuit (half-bridge feeding an LC filter). This is unwanted because the diode has reverse recovery, drawing excess current very briefly (about trr), increasing power dissipation and ringing (because the Q1-Q2-Cin loop necessarily has stray inductance, proportional to the length of that loop; or in the push-pull (transformer coupled, first circuit) case, strays include leakage, which is to say, winding length of the primary halves in the transformer).
This situation can be avoided by setting dead time very close to zero, or even slightly negative. The downside is, shoot-through can draw a lot of current too. But we know precisely what that current is, because it rises at \$\frac{dI}{dt} = \frac{L_s}{V_\textrm{IN}}\$, so we can set the stray inductance \$L_s\$ (including artificially increasing this inductance -- there can indeed be reason to do this!) such that, over the expected range of timing variation, current stays within adequate limits (say, a certain fraction of nominal maximum load current?). The energy stored in that inductance then gets dissipated in a snubber, which can be a simple RC, or a rate (dV/dt) or peak-clamp RCD type.
Basically, the insight is that, a diode acts as a short circuit until it turns off, so what you intended as dead-time can actually result in shoot-through anyway because of the diodes. In that case, it is better to shoot through the MOSFETs (channel current) with timing controlled by the circuit -- if and when the timing can be controlled more precisely than the recovery time.
This applies not just to DC converters, but AC as well, as a class D amplifier (say for mains power, audio output, etc.) also likely has to deal with reactive loads, i.e. sometimes drawing negative current through the top or bottom transistor, activating either body diode from time to time. The shorter or nonexistent dead time also
Anyway, to be clear, this is also not something to trifle with. Note the constraint: if stray inductance is nonexistent (in practice, this means a few to tens of ~nH, requiring timing precision of maybe a few ns), then any overlap will quickly draw massive amounts of current through the transistors, probably destroying them. Hence the first half of this answer!
- 33,670
- 2
- 22
- 95
Yes, you definitely need to ensure that both MOSFETs are not on at the same time.
It seems fairly easy to do and has already been covered in these answers.
How can I calculate the dead time to prevent shoot-through?
How is dead time in a half bridge implemented
- 2,392
- 1
- 5
- 16
Is it necessary to implement "dead time" (anti-shoot through) for MOSFETs? F=50 kHz
Both circuits are types of push-pull drivers for switch mode power supplies and, both circuits require a small amount of dead-time (anti-shoot-through) to avoid MOSFET conduction overlap.
The 2nd circuit is probably more obvious than the first of course.
- 456,226
- 28
- 367
- 807

