3

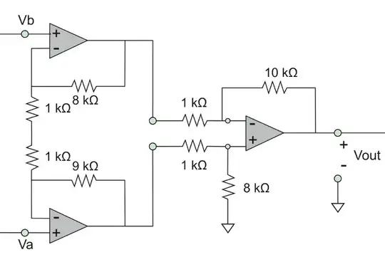
Sometimes I see instrumental amplifiers drawn like this:

enter image description here

And sometimes the two resistors (in the above 1 kΩ) drawn as Rgain:

enter image description here

What's the difference? In the first photo, is Rgain equal to 2 kΩ?

ocrdu
  • 9,195
  • 22
  • 32
  • 42
Oliver
  • 133
  • 4
  • 1
    The 9 k resistor should be 8 k as well (the input part is fully symmetrical)... – Circuit fantasist Nov 22 '22 at 21:37
  • 2
    And 10k also ... Output part also fully symmetrical ... – Antonio51 Nov 23 '22 at 01:33
  • 1
    @Circuitfantasist maybe this is nitpicky. But there is no strong reason to make the input amp gains symmetric. Any common-mode that develops due to this assymetry will be subtracted by the (hopefully symmetric) output amp. – tobalt Nov 23 '22 at 10:10
  • Now I am curious: How does one calculate the gain (not Rgain) of an imbalanced instrumentation amp? – Oliver Nov 24 '22 at 15:41

4 Answers4

6

No difference. Two resistors can be combined to one or one resistor can be split into two and the circuit still has same total resistance.

It really depends if you have a formula that takes some values in in some way to calculate something. Rgain of 2 kohm or simply the single resistor of 1k.

Justme
  • 147,557
  • 4
  • 113
  • 291
5

It's the same thing when you analyze the circuit.

There may be pedagogical reasons for showing the resistor as split since the common-mode input voltage (Va + Vb)/2 will be present at the (perhaps imaginary) center point of Rgain. For example, if the center point is grounded there will be a subtle change, and ideally no change in output voltage.

It's actually quite rare to show the resistor as split, so we're left to speculate.

Spehro Pefhany
  • 397,265
  • 22
  • 337
  • 893
3

What's the difference? In the first photo, is Rgain equal to 2 kiloohms?

\$R_{GAIN}\$ can be any value you want (within the limits specified in the data sheet). The lower the value the higher the instrumentation amplifier gain is. You can use 1, 2 or more resistors as well to get the precise value you need; there'll be a formula in the relevant data sheet that tells you what value \$R_{GAIN}\$ needs to be for the gain you desire.

Andy aka
  • 456,226
  • 28
  • 367
  • 807
2

The idea

The role of the common resistor Rgain is essential to the circuit operation. Connected in this way, the input amplifier stages can interact with each other and behave differently depending on the mode. The voltage of the midpoint inside the resistor Rgain indicates the mode. So it is important to monitor it and this is achieved by "split" Rgain in two or "assemble" it from two resistors Rgain/2 in series.

Operation

In the common mode, the midpoint follows the variations of the two input voltages. Figuratively speaking, it "moves" with them and acts as a "movable ground". The two input stages cooperate and act as voltage followers; so the input signal is not amplified.

In the differential mode, the midpoint "freezes" and acts as а "fixed" or "virtual" ground. The two stages counteract each other and function as non-inverting amllifiers; so the input signal is amplified.

Conclusion

So, looking for the most essential in this beautiful symmetrical circuit solution, we can find it in the dual behavior of the midpoint inside the resistor Rgain: on the one hand, in common mode, it follows the input voltages; on the other hand, in differential mode, it has a fixed voltage. Figuratively speaking, in common mode it is "soft" and "movable" while in differential mode, it is "stiff" and "immovable".


See more about the philosophy behind this ingenious circuit solution in my Codidact paper What is the idea behind the op-amp instrumentation amplifier?

Circuit fantasist
  • 16,664
  • 1
  • 19
  • 61