First Question
The intention behind the question is that I want to build a well
defined intuition when solving the BJT model problems. I asked the
question because in class, we were not taught about when to use such
simplfication and when not to and was only told that do as the problem
tells you. But I wanted to know the limitations of the simplfied model
and to which extent it is acceptable. The reason I cared about keeping
"-1" is because the explaination of "usually VBE is much larger" does
not feel logical.
You can easily solve that \$e^{^{\frac{V_{_\text{BE}}}{V_T}}}\gg 1\$ when \$V_{_\text{BE}}\ge 60\:\text{mV}\$, when the exponential reaches or exceeds the value of \$10\$ and the error when ignoring the \$-1\$ term means only about a \$10\%\$ error or less. At \$V_{_\text{BE}}= 120\:\text{mV}\$, it's down to \$1\%\$ error or less. And so on.
Silicon BJTs are almost never considered to be operating in managed circumstances until and unless \$V_{_\text{BE}}\ge 400\:\text{mV}\$ where the error in assuming away the \$-1\$ term is far below 1 ppm. Electronics engineering almost cannot ever find a case where that kind of built-in error isn't already totally swamped by other part, temperature, time, and phase of the moon errors elsewhere in the circuit. It just doesn't matter.
From a mathematical perspective, and I'm sure you are already well aware, simple exponential equations are a lot easier if and when you can eliminate/ignore an offset or summed bias constant. In other words, it's a lot easier to perform algebra on \$y=e^x\$, where you can readily find that \$x=\ln\left(y\right)\$ than it is on \$y=e^x+C\$ where you are stuck with \$x=\ln\left(y-C\right)\$ and a gnarly term \$-C\$ that doesn't readily go away without exploring partial fractions, continued fractions, etc. Better when you can just ignore it and move on.
As it turns out, the silicon BJT is operated where the \$-1\$ term simply vanishes out and has no meaningful effect.
This is a good segue into the ...
BJT Operation Regions
Let's look a curve I've merged together from a book by Ian Getreu called Modeling the Bipolar Transistor. From pages 51 and 56:

Region II
Region II is the region where the BJT is most often used as an amplifier. As you can see, if you take a closer look, this is where the collector current slope and the base current slope parallel each other (roughly), which is what gives meaning to the idea of \$\beta\$.
Of course, each device you grab in hand will have a different value of \$\beta\$. And it will vary just a little within Region II -- it's not a perfect constant. But it's usually fairly consistent for any given device over a range anywhere from 2.5 to 5 orders of magnitude change in collector current. Which makes the idea useful in some cases.
Usually, when operating the BJT as an amplifier (and not a switch) the base current isn't forced to a value by the circuit. Instead, the circuit is arranged to provide more current compliance than needed and instead to design things in order to simply allow the BJT to draw what it requires. If the circuit is designed well, variations in the actual BJT base current won't significantly impact the DC operating point.
When operating the BJT as an amplifier like this, the collector will approximate a current sink (NPN) or current source (PNP.)
Of course, \$\beta\$ matters not at all if you are instead using the BJT as a switch, because in such cases the base current will be intentionally made excessively high by design and won't be allowed to just find its own value.
When operating the BJT as a switch, the collector-emitter pin-pair will instead approximate a voltage source with only a few hundred millivolts between them, typically. (Sometimes, perhaps only a few tens of millivolts.)
As you can see, the situation matters. Depending on the surrounding circuit, you can make certain assumptions and not make others. This gets into learning to recognize different patterns when reading a schematic.
Before moving on to the other regions, go back and look at the chart above. Note that it says \$V_{_\text{BC}}=0\:\text{V}\$? This, by definition, means not operated as a switch! So don't get confused when I talk about the BJT as a switch and looking at the chart. When the BJT is operated as a switch, a new condition is present where \$V_{_\text{BC}}\gt 0\:\text{V}\$ (NPN case, forward-biased BC junction) and the chart no longer applies. Instead, as \$V_{_\text{BC}}\$ grows increasingly large in forward-biased magnitude (more base current is forced into the BJT) the vertical span between the base and collector current lines pinches together and \$\beta\$ rapidly declines from there.
Finally, if you haven't already tumbled to it, the fact that BJTs are almost always operated in Region II is why you don't need to worry about the \$-1\$ term. The base-emitter voltage is always sufficiently forward-biased, in practice, that the effect of the \$-1\$ term simply vanishes.
Region I
In Region I, the decline in \$\beta\$ is due to three components which can be ignored in the other regions but cannot be ignored with low currents involved. These are:
- The formation of emitter-base surface channels (which can be reduced by the careful application of processing/manufacturing); and,
- the recombination of surface carriers (which also can be reduced by the careful application of processing/manufacturing, but still remains a dominant part of the problem); and,
- the recombination of carriers in the emitter-base space-charge layer.
All three of these have similar variations with the base-emitter voltage so that you wind up with something akin to the following typical component equations:
$$\begin{align*}
I_{\text{B}_{\large{\text{channel}}}}&=I_{\text{SAT}_{\large{\text{channel}}}}\cdot\left(e^\frac{V_{_\text{BE}}}{4\,\cdot\, V_T}-1\right)\\\\
I_{\text{B}_{\large{\text{surface}}}}&=I_{\text{SAT}_{\large{\text{surface}}}}\cdot\left(e^\frac{V_{_\text{BE}}}{2\,\cdot\, V_T}-1\right)\\\\
I_{\text{B}_{\large{\text{space-charge}}}}&=I_{\text{SAT}_{\large{\text{space-charge}}}}\cdot\left(e^\frac{V_{_\text{BE}}}{2\,\cdot\, V_T}-1\right)
\end{align*}$$
Although I'm sure you already know that summed exponentials with different constants cannot be combined into any single resulting equivalent exponential, it is practical (and done) to combine the above into a single modeled exponential that uses \$\eta_{_\text{EL}}\$ with values often close to 2:
$$\begin{align*}
I_{\text{B}_{\large{\text{summed}}}}&=I_{\text{SAT}_{\large{\text{summed}}}}\cdot\left(e^\frac{V_{_\text{BE}}}{\large{\eta}_{_\text{EL}}\,\cdot\, V_T}-1\right)
\end{align*}$$
For most BJTs, the above equation can be made to approximate the reality well enough for practical purposes (and it sums into the usual current equations.)
BJT's are not operated in Region I very often. So you can assume it never happens in practice and you will usually be right. If they were operated in this region more often, then I suppose the \$-1\$ term might start to be more of a thing to wonder about. (Even then, I doubt the BJT would be operated so deeply into Region I that it would be a concern. But if it could be a concern, then this is the region where it may be.)
Region III
In Region III, the injection of minority carriers into the base region starts becoming increasingly important in comparison against the majority carrier concentrations. Because the space-charge neutrality is maintained in the base, the majority concentration has to increase by the same amount.
The finding is:
$$\begin{align*}
I_{C_{high-I_C}}&\propto e^\frac{V_{BE}}{2\cdot V_T}
\end{align*}$$
The other factor in Region III is, of course, an 'Ohmic resistance' and is already modeled as \$r_c\$ so it isn't included above.
A model constant is usually applied to the above equation and the resulting term then appears in the divisor used for the usual model saturation current equation.
The upshot for Region III is:
- The increasing importance of the injected minority carriers into the base; and,
- Ohmic resistance.
Obviously, in this region the \$-1\$ term cannot have any impact.
Second Question
Circuit (a) is obvious. The 0.8V bias forces VBE to be 0.8V. But why
not use the assumption for the other two circuits?
Clearly, in (a) there's no need to calculate \$V_{_\text{BE}}\$. It's given to you. But no one would ever drive a BJT like this. The collector current is exponentially related to the base-emitter voltage and the details of any given BJT vary so much between them that there's no way to predict what you'd get if you did this. So it's just not done, except perhaps as a way of showing a student they should not do this!
In (b), there's also no particular need to calculate \$V_{_\text{BE}}\$, unless asked to do so. Real circuits actually do, at times, provide base currents like this using a current mirror for example. If applied this way, then \$V_{_\text{BE}}\$ will establish itself where it does, given the applied base current, and there's no need to worry about it's exact value. (There are other details, such as the base bulk impedance value, which also impact the observed external voltage at the base.) But if you are asked to calculate \$V_{_\text{BE}}\$ using a simple model, then it's not hard to do if you have the model parameters as you can work out \$I_{_\text{C}}\$ simply from the given \$\beta\$ and from there you can get \$V_{_\text{BE}}\$.
In real designs through, the current source would be set by the designer and the actual \$V_{_\text{BE}}\$ value would not be part of the concerns placed into management -- though sometimes, as in a current mirror, whatever value it does become will be used to perhaps then drive a different BJT into copying the collector current.
In (c), neither \$I_{_\text{B}}\$ nor \$V_{_\text{BE}}\$ is part of the designer's concern. It's a diode-connected BJT and both \$I_{_\text{B}}\$ and \$V_{_\text{BE}}\$ will gravitate to where they must be for any given BJT device. The key idea here is that \$V_{_\text{BC}}=0\:\text{V}\$ and that means the device is not saturated but operating in its active mode, so the \$\beta\$ estimate applies which means the base current can largely be ignored. The collector current (and emitter current) will essentially be set by the positive rail, less an assumed \$V_{_\text{BE}}\$, divided by the collector resistor value.
Most engineers will hold some ideas to apply in (c). For example, I may hold in mind that at room temperature a typical small signal silicon BJT will have about \$680\:\text{mV}\pm 20\:\text{mV}\$ at a collector current of \$1\:\text{mA}\$. I may apply this rule if I had no access to model parameters and if someone asked me to refine my estimate for \$V_{_\text{BE}}\$.
If I were given model parameters, then I'd just re-work those figures based on the model I was given.
I also know that it will exhibit a change of about \$60\:\text{mV}\$ for each factor of 10 change in collector current. (This is strictly true at room temperature so long as the emission coefficient is: \$\eta=1\$. (Usually true for small signal BJTs. Usually not true for large power BJTs.) So if I were to find, from calculating the collector current based upon some assumed \$V_{_\text{BE}}\$ at the start, that the collector current were instead \$4.5\:\text{mA}\$ then I may adjust things by \$\Delta=V_T\cdot\ln\left(\frac{4.5\:\text{mA}}{1\:\text{mA}}\right)\approx 39\:\text{mV}\$ and thereby increase my estimate by this amount, and thereby reducing the computed collector current a little bit because of it.
Such an adjustment isn't needed for positive supply rails that are large. But if the supply rail is only a volt or two then the adjustment may be worth the extra step (or two, if you must.) It's also possible in this particular case to use the LambertW function to get an exact value the first time out, without iteration. So that's another tool to know about for low voltage cases, I suppose.
This segues into your next part of the question:
Also, the problem below is using the small-signal model to calculate
the gain. But why is the answersheet calculating \$V_{_\text{BE}}\$
using the exponential model
\$V_{_\text{BE}}=V_T\ln\left(\frac{I_{\text{C}}}{I_{\text{S}}}\right)\$
rather than assuming its value.
Note that the problem specifies a very low power supply rail magnitude and also a power budget, too. This makes it more important that you work out the details more closely. The collector current may be impacted by changes in \$V_{_\text{BE}}\$ because those changes, even if only on the order of, say, \$\pm 50\:\text{mV}\$, may impact the base current enough to matter elsewhere.
This isn't a good design example, though. It's only useful by itself as an educational 'make work' example to test your mastery. Grounded emitter BJTs, and especially so when working with low voltages like that, must include follow-on stages and negative feedback for both DC biasing as well as for mitigating AC signal distortion. So, it's just make-work.
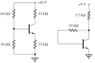
In your final sub-question to this question (geez, you just keep piling them on), note that the voltage rails are a lot higher now (\$10\:\text{V}\$ and \$9\:\text{V}\$) and that both of these are using very stiff biasing techniques where variations of base current will almost certainly have little or no impact.
On the left, the emitter is biased almost up to \$3\:\text{V}\$, which is very much larger than the assumed base-emitter voltage. Slight variations in \$V_{_\text{BE}}\$ will have only a small impact on the emitter's DC bias point. So the assumption is fine in this case. You could take an extra step to refine it, I suppose. But it wouldn't make a lot of difference.
You actually should take the time to prove what I just wrote about the left side schematic to your own satisfaction, though.
And then do that for the right side schematic. (Leaving that for you to try out -- I'm sure you are capable of it.)
Intermission: Sensitivity Analysis
You often won't encounter this idea as early as I'd have wished. So I'm calling it to your attention for later. It is an important tool to understand well in order to be better able to answer your own questions about when and where simplifications are appropriate and, conversely, when and where they are not. It will not only help you understand the impacts of such compromises but it is also an important tool for understanding the impacts of the vagaries of reality on your circuits. Variations of resistor values, variations of capacitor values, impacts of temperature, time, etc. It's very useful.
The process is called "sensitivity analysis" and it allows you to determine the %-impact on something you care about caused by a certain %-change in another thing you worry about.
The idea of a %-change in y is precisely expressed in calculus form as \$\frac{\text{d}\,y}{y}\$. This yields an infinitesimal %-change, which is what makes it absolutely precise and no longer finite-approximate.
Suppose you wanted to know by how much of a %-change y would experience if x experienced a proposed %-change? Then:
$$\begin{align*}
\frac{\% y}{\% x}&=\frac{\frac{\text{d}\,y}{y}}{\frac{\text{d}\,x}{x}}=\frac{x}{y}\cdot\frac{\text{d}\,y}{\text{d}\,x}
\\\\
\text{or,}
\\\\
\% y&=\frac{x}{y}\cdot\frac{\partial\,y}{\partial\,x}\cdot \% x
\end{align*}$$
For example, when analyzing a standard CE BJT amplifier stage, you may want to find out how much the DC biasing might change if the \$\beta\$ estimate is wrong by some assumed %. "How much does the DC quiescent collector current vary if the BJT's \$\beta\$ varies by \$\pm 50\%\$ around my assumed value of \$\beta=200\$?" You can easily answer this question by using sensitivity analysis. And it can do the same for you with temperature and a host of other questions you may have.
This same type of analysis can also help you work out questions like "How much does the \$-1\$ term impact the DC quiescent collector current?" You could then not just have a qualitative answer, but then a quantitative one based upon sound mathematical reasoning.
Third Question
I'm going to hold short until I hear back from you. If I am totally off the starboard beam of where you needed me to be, then I'll just close up shop and leave the last question alone.
A Personal Note to You
I fully believe you are more than capable of answering many of your own questions given what I've already seen you write and the kinds of questions you are clearly capable of seeing in your mind. I think you just need to spend some serious sit-down-time on your own with some paper and pencil (or a fancy Python scripting system) and I think you'd have vastly fewer, and significantly more crafted, questions to post here.
For example, the \$-1\$ term (which I'll address below in more detail) is something you already should be able to work out. I know you can. All you needed to do was to solve the relation \$e^{^{\frac{V_{_\text{BE}}}{V_T}}}\gg 1\$ for \$V_{_\text{BE}}\$ and to apply the basic common sense that any result where \$e^{^{\frac{V_{_\text{BE}}}{V_T}}}\ge 10\$ is sufficiently greater than 1 to make that term disappear. And this occurs at about \$V_{_\text{BE}}=60\:\text{mV}\$, which clearly is never the situation in any practical silicon BJT circuit.
My point here is that you are quite capable of this kind of trivial analysis and I'm absolutely certain that if you'd sat yourself down to think a little bit on this topic, you'd have worked this out on your own.
This belief of mine, in your skills to do it on your own, extends to your other questions as well. You just need to take some time on your own, work through some problems, and explore making some changes to those problems to see how certain changes have certain impacts. It takes some time. Sure. But not a lot, really. And it is worth the trouble because when you go through the process without being led by the nose, it sinks far deeper into your soul and stays there. Not so much, though, when things are handed to you on a silver platter.
So get out a notebook and start writing and doing it.