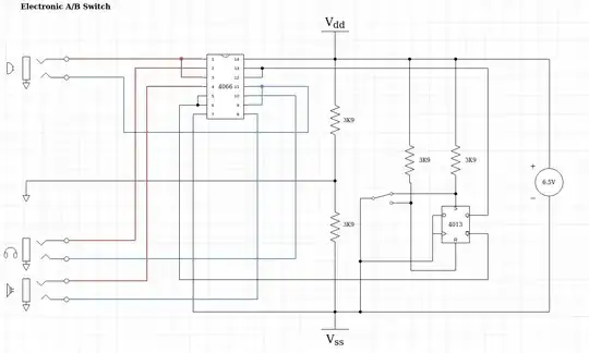
I want to replace my mechanical A/B switch (lots of pops and clicks) for my headphone/speaker on my PC and I was looking into the CD4066 (cmos quad bilateral switch). I look at a lot of design and I see many using input coupling capacitors with resistors divider to manage the +/- audio signal coming in. But I found this approach bringing more components then required. I layout this schema on my breadboard, took a look at my scope and everything seems fine. The thing is to bring the reference ground of the source midway with a simple resistor divider. No DC offset to manage! Do I miss something here?
PS.: The 6.5 V source is arbitrary, this is the value of a power supply I found in my junk bin. But this fit the build for a 2 Vp-p audio input source with some room to spare.
PS2.: The D Flip-Flop is for a smooth transition between the outputs and bypass capacitors not draw for clarity.



