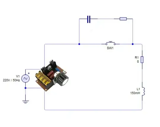
I am designing an AC solenoid lock. Here is my design:
- Resistance 8 Ω
- Main outlet power source 220 V - 50 Hz
- Inductance 150 mH
- Impedance 47 Ω
- I (RMS) ~ 5 A
I read that the inductive load needs a snubber circuit to protect the switch and electric components from inductive turnoff transients (but some say there's no need for a snubber).
If I want to add a dimmer voltage regulator circuit to this design, do I need to add a snubber to the circuit?
Dimmer specifics
- 50 - 220 V
- Less than 1000 W
If so I will add an RC snubber as follows:
Resistor = 44 Ω (I chose 44 Ω because I want 220 V to be the max. voltage across the switch and the dimmer)
V = I·R = 5·44 = 220 V
Energy in inductor:
E = ½·L·I2 = 0.5·0.15·52 = 1.875 J
E = ½·C·V2: 1.875 = 0.5·C·2202
C = 0.00009375 = 93 μF
So, are my calculations correct and do I need a non-polarized ceramic capacitor 93 μF, 220 V?
Should I add the RC snubber parallel to the switch or parallel to the inductor?
Edit:
Thanks guys for your suggestions.
But please i decided to make RC snubber (only resistor and capacitor) to just protect my switch and dimmer
So i will only need answers about how to make RC snubber to this circuit and how to calculate the capacitor value i need






