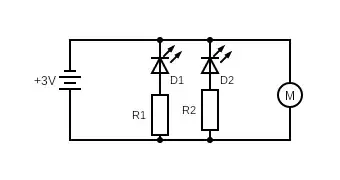
I have a simple motor and two LED toy with different color leds:
LED D1 is blue blinking listed as 30mA/3V/0.09W (osub5x31a), LED D2 is red blinking listed as 20mA/3V/0.06W (OSHR5X31A). Battery is 2xAAA.
These are numbers the seller gives in homepage, but product detail sheets seem to have different voltage, so I'm a bit lost with that.
https://data.oomipood.ee/kasutusjuhend/oshr5x31a.pdf
https://data.oomipood.ee/kasutusjuhend/osub5x31a.pdf
Motor is rated as 1.5V-3V, I don't know other parameters.
I cannot figure what values R1 and R2 should have, or how to calculate them.
I initially made it without any resistors, but then the red LED barely works (does not blink,) blue does not light at all and motor works fine. References I found talk about 'voltage drop' but I'm not sure what it means, the LEDs I have don't list such property.
Update: hen I just connect the LEDs to the 3V source in parallel, no motor and no resistors, then they both seem to blink fine. Maybe they don't really need resistors at all, or is this not safe?
