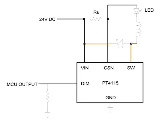
I have the circuit in the image below working with the PT4115 driver. I use it to light a 10W LED from a 24V DC source. The LED draws close to 1A. I can control it with a 5V PWM signal from an MCU.
I'd like to add a second 10W LED, in different color, and I'd like to be able to choose which one is going to "light up" using another output pin on the MCU. If the pin is low, it would light LED one, if it's high, it would light LED two, never both at the same time.
Can anyone help with an "equivalent switch" simple circuit to be able to perform like this, like in the diagram below?


