-1

I would like to understand/create a circuit which amplifies an input signal with a base-emitter follower. Sadly, I’m not getting any amplified signal at the output. I don’t really understand why on point Q only 3V are present, considering the voltage divider should increase the bias voltage of the transistor to around 11V. Can someone please help me understand why I’m getting a lower output voltage than the input voltage (shouldn’t it be amplified)?

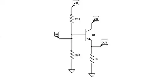
Circuit: enter image description here

Thank you

ulix
  • 183
  • 7
  • 1
    where did you come up with this novel method of using an emitter follower and expecting it to amplify voltage? The Vbe controls the current and impedance between C-E. So a 0.74V drop is expect for the Vbe of a 2N3904 based on the datasheet with a Ie=2.2V/50 Ohm load – Tony Stewart EE75 Mar 02 '22 at 23:04
  • 1
    Read here https://electronics.stackexchange.com/questions/503365/my-bjt-audio-amplifier-circuit-isnt-working-as-expected/503581#503581 – Tony Stewart EE75 Mar 02 '22 at 23:11
  • 2
    Simplistically, an emitter-follower is a current amplifier, not a voltage amplifier. – brhans Mar 03 '22 at 01:44
  • 1
    Clearly, an emitter follower is a voltage amplifier with unity gain. This is the most used application. We always should clearly distinguish between the "naked" transistor and a circuit that contains a transistor. – LvW Mar 03 '22 at 07:30
  • Thank you very much to everyone commenting. Initally this circuit was intended to amplify a digital signal at 2.2V and 40mA to get a current at the circuits output of 100mA (5V at 50Ohm)... – ulix Mar 03 '22 at 20:43

2 Answers2

2

You have lots of problems in your understanding with this circuit. (The base pair is terribly sized, for example.) But let's take it slowly.

schematic

simulate this circuit – Schematic created using CircuitLab

In your circuit, though, you directly drive the base of \$Q_1\$ with a voltage source. So the base resistors are irrelevant. The still more simplified circuit becomes:

schematic

simulate this circuit

From this, you should be able to easily see that the emitter will be about a diode drop below the base voltage -- no matter what the base voltage is. So the emitter will just be about \$700\:\text{mV}\$ below the base. It will "follow" the base, so to speak.

The only new aspect here -- the only contribution that the BJT adds to this -- is that its collector can supply lots of current directed towards the emitter to "help" the base. So if the input source is at \$V_{_\text{IN}}=2\:\text{V}\$, for example, then the emitter will be at about \$V_{_\text{OUT}}\approx 1.3\:\text{V}\$ and only a tiny current will be drawn from the base with the most of the rest coming from the collector - which is directly tied to \$V_{_\text{CC}}\$ so it can provide a lot of current that way.

So this is a current-amplifier, in the sense that a tiny base current is supplemented by lots of collector current to create the emitter sourcing current into whatever else is connected to \$V_{_\text{OUT}}\$.

That's useful if \$V_{_\text{IN}}\$ can't source a lot of current and if \$V_{_\text{OUT}}\$ needs to source a lot more to whatever is connected there.

However, there is no voltage gain here. Quite to the contrary, in fact. There will be a small loss. Perhaps 95% or 98% of the original signal is all you can expect? But nothing greater than 100%.

jonk
  • 77,876
  • 6
  • 77
  • 188
  • Thank you jonk, this is the very helpful - still I'm not sure how to solve my problem. The image posted was only an example to illustrate my what I wanted to do: To amplify a digital signal (2.2V & max. 40mA) to have around 150mA (since the used logic can not source that much current). – ulix Mar 03 '22 at 20:36
  • Sorry, meant 100mA (not 150mA) – ulix Mar 03 '22 at 20:44
  • @ulix If you can write up a complete description of the situation (source and load) in a separate question, you may get a more usable answer. Could you prepare something with sufficient detail? For example, the input signal description to include its source impedance or its acceptable loading details? (You've already just written some details about the output that is helpful.) – jonk Mar 03 '22 at 21:24
1

The base-emitter junction is a diode, and the forward voltage of a silicon diode is approximately 0.7 volts, so the emitter voltage in an emitter follower will be about 0.7 volts below the base voltage. The voltage gain of an emitter follower is 1.

As Point Q is directly connected to the output of your V1 signal source, its voltage will be the same as the signal source. If you place a capacitor between V1+ and Q, the voltage at Q will be set by the voltage divider consisting of R3 and R4. The voltage divider will set the base voltage to about 8 volts if V1 is removed.

Peter Bennett
  • 59,212
  • 1
  • 49
  • 132