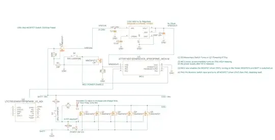
I am leaning a lot from the great community here, and I think I have a solution to my project of a high power Battery MOSFET switch. My previous questions was getting quite long, and I now have a different question related to the same project. You can see the discussion here - Pre-charge Anti Spark MOSFET Switch for Li-ion Battery
So I have drawn out the circuit based on the great advise of @jimBeaux27 & @tihjs however after reading datasheets of MOSFET Drivers I am a little lost how to use them effectively. I also think this circuit can be simplified a lot, I just cant see how best to achieve that.
I have found these examples also - Using a momentary push button as a latching on-off toggle switch
I have attached my proposed circuit below. Many thanks, Jack

