I'm new in this world. I tried latching relays. I only achieved keeping the LED ON but I'm not able to turn it off with the same button. Any idea?
Asked
Active
Viewed 872 times
0
-
1You need a Toggle Relay. – Finbarr Feb 18 '22 at 23:30
-
Latching relay with two coils and DPDT. One throw switch the coils. – user263983 Feb 19 '22 at 00:09
-
What's the LED? (It matters.) What's the power supply? (It matters.) And you can do this with semiconductors and a single momentary switch. Do you prefer that? Or are you only interested in relay solutions? (That matters, too.) – jonk Feb 19 '22 at 07:05
-
1Are you aware that you can do this with just a latching push button? – Transistor Feb 19 '22 at 07:14
2 Answers
1
A single-coil ratchet relay and a momentary push button switch may be used to toggle the lamp on and off.
A ratchet relay is a type of latching relay.
Its contacts change over with a single energisation pulse to its coil and revert on the subsequent pulse.
A low cost solution would be to use a latching push button switch instead.
It's a 'push-to-on / push-to-off' type of switch.
vu2nan
- 18,175
- 1
- 16
- 47
1
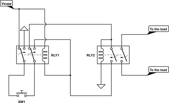
The simplest ON/OFF circuit that I know that's works look looks this:

simulate this circuit – Schematic created using CircuitLab
But the relay needs to be able to energized at Vsup/2 or able to work at 2 Sup if we decided to use Vsup/2 relay. OR slightly less than Vsup. I used two 9V relays in 12V circuit.
G36
- 14,576
- 1
- 20
- 36
